NXP Semiconductors CI et pilotes MC33926
Les CI et pilotes MC33926 NXP Semiconductors sont des CI de puissance à pont en H monolithiques SMARTMOS conçus principalement pour le contrôle électronique du papillon automobile. Ces circuits intégrés NXP s’appliquent à toute application de commande de servomoteur CC basse tension dans les limites de courant et de tension. Les pilotes MC33926 disposent d’une limitation de surintensité via une MLI interne à temps d’arrêt constant et une protection contre les courts-circuits en sortie. Ces CI comprennent une réduction du seuil de limite de courant dépendant de la température. Les pilotes MC33926 fonctionnent sur une plage de tension de 5 V à 28 V. Ces pilotes sont idéaux pour le contrôle électronique du papillon (ETC), la recirculation des gaz d’échappement (RGE) et le contrôle du clapet turbo.Caractéristiques
- Limitation de surintensité (réglage) via une MLI interne à temps d'arrêt constant
- Protection contre les courts-circuits de sortie (court-circuit vers VPWR ou terre)
- Réduction du seuil de limite de courant dépendant de la température
- Toutes les entrées ont une source/un dissipateur interne pour définir les états par défaut (entrée flottante)
- Homologué AEC-Q100 classe 1
Applications
- Commande électronique de papillon
- Recirculation des gaz d'échappement
- Contrôle de clapet turbo
- Pompes industrielles et médicales et contrôle de moteur
Caractéristiques techniques
- Plage de tension de fonctionnement de 5 V à 28 V
- RDS(on) maximum de 225 mΩ
- Plage de température de fonctionnement de -40 °C à 125 °C
- Fréquence PWM de 20 kHz
- Limite de courant de seuil de 5 A
Schéma fonctionnel
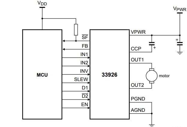
Schéma du circuit d’application
Publié le: 2020-06-09
| Mis à jour le: 2024-10-17
