NXP Semiconductors CI régulateurs d'éléments de batteries à 14 canaux MC33775A
Les CI régulateurs d'éléments de batterie à 14 canaux MC33775A NXP Semiconductors sont des CI contrôleurs aux ions lithium, conçus pour mesurer des tensions et des températures différentielles d'accumulateurs avec une haute précision. Ces CI donnent des fonctionnalités étendues d’équilibrage de la tension d'accumulateurs passifs, pour égaliser les tensions individuelles des accumulateurs de la batterie. Les CI MC33775A contiennent 4 à 14 éléments par dispositif, des barres de bus à tension d’entrée de ±5 V et un filtre numérique configurable intégré. Ces CI disposent d’une interface maître de bus I2 C pour commander des dispositifs externes, une sortie d’alarme configurable et un réveil cyclique pour superviser le pack pendant la veille et l’équilibrage. Les CI MC33775A prennent en charge ISO 26262 ASIL D pour les mesures de la tension des cellules, de la tension du module et de la température. Les applications standard incluent les véhicules électriques hybrides (HEV), les véhicules électriques (EV), les systèmes de stockage d’énergie (ESS) et les systèmes d’alimentation sans interruption (ASI).Les CI MC33775A comprennent des modes de fonctionnement tels que les modes actif, veille, cyclique et veille profonde. Ces CI régulateurs d'éléments de batteries procurent une Interface dispositif série (SPI) et une interface isolée en guirlande de communication avec le MCU hôte. Les CI MC33775A donnent un niveau accru de sécurité et une faible nomenclature.
Caractéristiques
- Mesure de tension cellulaire :
- 4 à 14 accumulateurs par dispositif
- Prend en charge les barres de bus à tension d’entrée ±5 V
- résolution 16 bits et précision de mesure standard ±1 mV à dérive à long terme ultra-faible
- Synchronisme de 120 µs des mesures de tensions aux bornes des accumulateurs
- Filtre numérique configurable intégré
- Mesures de la température externe et de la tension auxiliaire :
- Huit entrées analogiques
- Plage d’entrée de 5 V, configurable en absolu ou ratiométrique
- résolution 16 bits et précision de mesure standard ±5 mV
- Filtre numérique configurable intégré
- Mesure de tension de modules :
- Plage 9,6 V d’entrée à 65 V
- résolution 16 bits et précision de mesure 0,3 %
- Filtre numérique configurable intégré
- Mesure interne :
- Deux capteurs internes redondants de température
- Tensions d'alimentation
- Courant externe de transistors
- Équilibrage des tensions d'accumulateurs :
- 14 transistors à effet de champ (FET) d’équilibrage interne, jusqu’à 300 mA par canal (max)
- Équilibrage passif simultané de tous les canaux
- Minuteur de temporisation d’équilibrage global
- Équilibrage contrôlé par Minuteur avec des minuteurs individuels à résolution 10 s et une durée pouvant atteindre 45 heures
- Équilibrage régulé en tension à deux seuils, pour arrêter l'accumulateur touché ou bien tout équilibrage
- Équilibrage régulé en température ; si les résistances d’équilibrage sont en surchauffe, l’équilibrage est interrompu.
- Équilibrage contrôlé par modulation de largeur d’impulsion (PWM)
- Équilibrage de pause automatique pendant la mesure
- Délai global de pré-équilibrage
- décharge Automatique du bloc-batterie (décharge d’urgence)
- Interface maître de bus I2C capable de commander des dispositifs externes comme les EEPROM et les CI de sécurité
- Sortie configurable des alarmes
- Réveil cyclique pour superviser l'ensemble pendant la veille et l’équilibrage
- interface hôte prenant en charge la couche physique du SPI ou du transformateur 3 (TPL3) :
- Débit de données de 2 Mbits pour l’interface TPL3
- Débit de données de 4 Mbits pour SPI
- La communication par TPL3 prend en charge :
- une chaîne en guirlande à deux fils, à isolement capacitif et inductif
- Protocole prenant en charge jusqu’à six chaînes en guirlande et 62 nœuds par chaîne
- Identifiant unique de dispositif
- Modes de fonctionnement :
- mode actif
- Mode veille
- mode cyclique
- Mode veille prolongée
- Homologué AEC-Q100 classe 1
- Plage de température ambiante de -40 °C à 125 °C
- Prise en charge ASIL D ISO 26262 pour les mesures de la tension des cellules, de la tension du module et de la température
Applications
- Automobile :
- Véhicule électrique hybride (HEV)
- Véhicule électrique (EV)
- Industriel :
- Système de stockage d'énergie (ESS)
- Systèmes d’alimentation sans interruption (ASI)
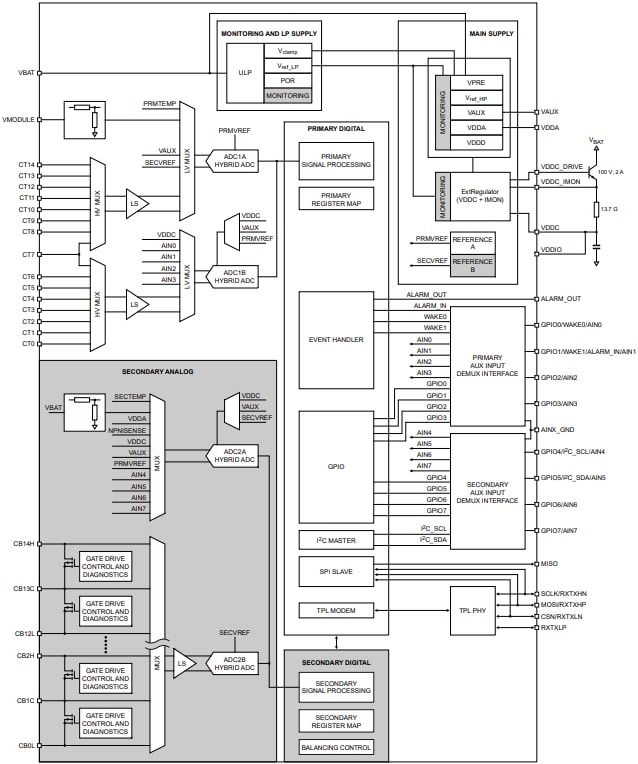
Schéma fonctionnel
Ressources supplémentaires
Publié le: 2024-08-14
| Mis à jour le: 2024-09-10
