NXP Semiconductors Microcontrôleurs (MCU) croisés i.MX RT1180
Les microcontrôleurs (MCU) croisés i.MX RT1180 de NXP Semiconductors comportent un cœur Arm®Cortex®-M7 haute performance, fonctionnant à des vitesses pouvant atteindre 800 MHz, et un cœur Cortex-M33 économe en énergie jusqu’à 300 MHz. L'i.MX RT1180 de NXP est doté de capacités de passerelle industrielle qui permettent de prendre en charge les protocoles industriels en temps réel (Profinet, EtherCAT, EtherNet/IP, etc.). Les microcontrôleurs (MCU) prennent également en charge les protocoles basés sur TSN via un sous-système de commutateur Ethernet de pointe et une grande RAM sur puce de 1,5 MB protégée par ECC. Ces composants sont conçus pour des applications dans divers secteurs tels que l’automatisation industrielle, l’automatisation de bâtiments, l’énergie ou l’Internet des objets (IoT).Les microcontrôleurs (MCU) i.MX RT1180 disposent d'un module de gestion de l'alimentation avancé intégré avec régulateursCC-CC et LDO (faible perte de niveau), réduisant la complexité de l'alimentation électrique externe. Le module de gestion de l'alimentation avancé simplifie également le séquençage de l'alimentation, et possède un grand sous-système, permettant une large gamme d'applications, y compris des interfaces de mémoire et des interfaces de connectivité (CAN-FD, LPUART, LPSPI, LPI2C, FlexIO).
Les dispositifs i.MX RT1180 de NXP intègrent de multiples fonctions de sécurité, y compris un sous-système d'enclave sécurisée avancé, une fonction physique non clonable (PUF), un décryptage AES à la volée (OTFAD), un contrôleur de domaine de ressources fiables (TRDC), un module de sécurité avec batterie de secours (BBSM) et un moteur de chiffrement en ligne (IEE).
Caractéristiques
- Processeur ARM Cortex-M7 à 800 MHz et processeur ARM Cortex-M33 jusqu'à 300 MHz - processeur ARM Cortex-M33 monocœur en option
- Logiciel et outils
- Expérience de développeur MCUXpresso
- Sélection de choix d'IDE (Environnement de développement intégré)
- Outils de configuration des broches, de l'horloge, des périphériques, de la sécurité et de la mémoire
- Outils de programmation et de provisionnement de sécurité
- Kit de développement de logiciel (SDK)
- Prise en charge Système d'exploitation temps réel Zephyr
- Prise en charge de protocoles industriels
- Expérience de développeur MCUXpresso
- Réseaux
- Premier microcontrôleur (MCU) en temps réel avec un commutateur réseau sensible au temps (TSN) GBps intégré prenant en charge plusieurs protocoles, reliant les communications entre les systèmes existants et l'industrie 4.0.
- Protocoles Ethernet industriels en temps réel tels que Profinet, Ethernet/IP, EtherCAT, CC-Link IE Field, HSR, etc.
- Normes TSN récentes conformes à CEI 60802 pour l'automatisation industrielle
- Protocoles basés sur TSN comme OPC UA Pub-Sub, Profinet sur TSN et TSN CC-Link IE
- Accès jusqu'à 5 Gbps, y compris 4 accès sur le commutateur TSN (couche 2) et 1 accès sur le contrôleur d'extrémité TSN
- Gestion L2 avec fonctionnalités avancées de contrôle de flux, y compris compteurs d'accès, filtres, etc.
- Premier microcontrôleur (MCU) en temps réel avec un commutateur réseau sensible au temps (TSN) GBps intégré prenant en charge plusieurs protocoles, reliant les communications entre les systèmes existants et l'industrie 4.0.
- Sécurité avancée
- Microcontrôleur (MCU) croisé avec une enclave sécurisée EdgeLock® intégrée : sous-système de sécurité préconfiguré, autogéré et autonome, simplifiant la mise en œuvre d’une sécurité robuste à l’échelle du système pour les applications IoT industrielles en réseau.
- Fournit une base au niveau des composants pour la conformité du système à CEI 62443
- Exigences de racine de confiance dans les systèmes en réseau complexes avec démarrage sécurisé, mécanisme de clé sécurisé et cryptographie haute performance
- Surveillance d'intrusion physique au niveau du système avec RTC sécurisé et 10 broches d'intrusion
- Jusqu'à 1,5 MB de SRAM (protégée contre les ECC) avec 512 KB de TCM pour ARM Cortex-M7 et 256 KB de TCM pour ARM Cortex-M33
- Analogique
- CAN 16 bits haute vitesse
- Minuteur/MLI et démodulateurs delta-sigma avancés
- Plage de température industrielle de -40 °C à +125 °C
- Options de boîtier
- 289 MAPBGA, 14 mm x 14 mm, pas de 0,8 mm
- 144 MAPBGA, 10 mm x 10 mm, pas de 0,8 mm
Applications
- Automatisation d'usine et de bâtiment
- Automatisation industrielle
- Santé
- Passerelles industrielles
- Contrôle de mouvement et robotique
- Entraînements à moteur
- Contrôleurs logiques programmables et E/S distantes
- IoT
Vidéos
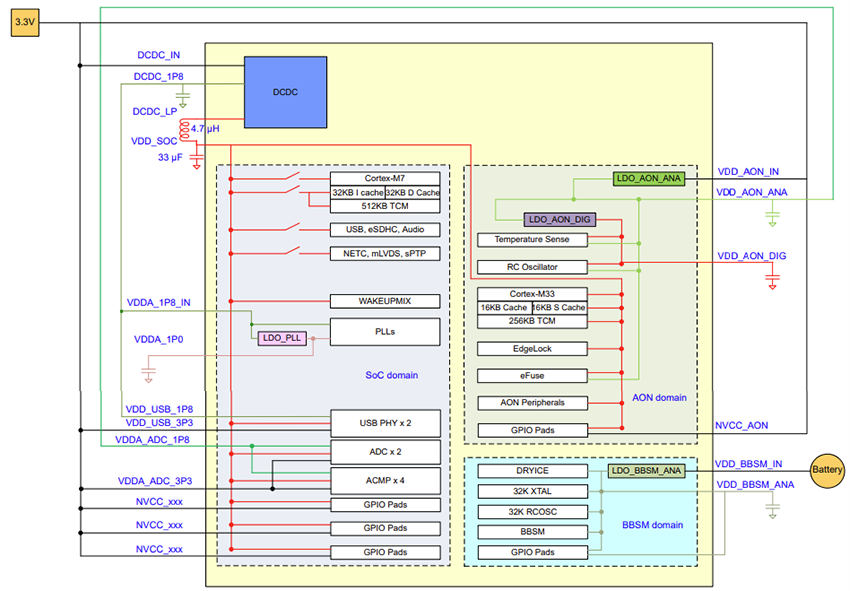
Schéma fonctionnel
Architecture d’alimentation
