NXP Semiconductors Pré-pilotes de moteur triphasés brushless GD3000
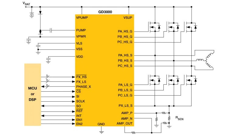
Les pré-pilotes de moteur triphasé brushless GD3000 deNXP Semiconductors sont des CI de pilote de grille à haut rendement pour les applications d’entraînement de moteur triphasé. Le GD3000 de NXP Semiconductors dispose de trois pilotes à demi-pont, chacun capable de piloter deux MOSFET à canal N. Avec une capacité de courant de crête allant de 1 A à 2,5 A, ce pré-pilote fonctionne sur une seule alimentation avec une large plage de 6 V à 60 V et intègre une protection transitoire de 75 V. Utilisant une architecture de pilote de grille d’amorçage avec un circuit de charge de compensation, le GD3000 prend en charge un rapport cyclique de 100 %. De plus, il utilise une protection contre la diaphonie programmable pour empêcher le flux de courant pendant la commutation MOSFET côté haut ou côté bas. La détection VDS intégrée des deux MOSFET protège l’étage de puissance externe contre les conditions de surintensité. L’inclusion d’un amplificateur de shunt de courant permet une mesure précise du courant pour la détection d’erreur de phase.Caractéristiques
- Entièrement spécifié de 8 V à 40 V et couvrant les systèmes automobiles 12 V et 24 V
- Plage de fonctionnement étendue de 6 V à 60 V couvrant les systèmes de 12 V et 42 V
- Comprend une pompe de charge pour prendre en charge l’entraînement FET complet à faible tension de batterie
- Capacité de sortie simultanée activée via une commande SPI sécurisée
- Plages de température
- -40 °C à +125 °C
- -20 °C à +105 °C
- Large plage de temps mort (50 ns à 12 μs) programmable via le port SPI
- Capacité de commande de grille FET externe > 1 A avec protection
- Protection du dispositif contre l’injection de charge inverse par CGD et CGS de FET externes
- Détection intégrée de surintensité, de désaturation et de défaillance de phase
- Immunité contre les pics de tension transitoire positifs ou négatifs sur le pilote de grille
- Protection contre les courants traversants intégrée au contrôle du temps mort
- Prend en charge l’interface logique directe 3,3 V et 5 V vers les MCU
- Amplificateur de détection de courant intégré
- Configuration du composant et diagnostics via le SPI
- interface et contrôleurs d’entrée parallèles et SPI
Applications
- Contrôle du freinage et de la stabilité
- Gestion de moteur diesel
- Direction assistée électrique (EPS)
Schéma fonctionnel
Ressources supplémentaires
Publié le: 2024-01-22
| Mis à jour le: 2024-03-29
