Nexperia Commutateurs analogiques de précision
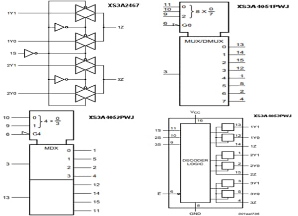
Les commutateurs analogiques de précision de Nexperia sont adaptés à une utilisation comme multiplexeurs/démultiplexeurs analogiques ou numériques. Ces commutateurs ont des entrées numériques à faible seuil, qui leur permettent d'être pilotés par des niveaux logiques de 1,8 V dans les applications 3,3 V sans augmenter l'alimentation de courant. Cela permet au composant de commuter des signaux de 4,3 V avec un contrôleur numérique de 1,8 V, éliminant le besoin de conversion au niveau logique. Les applications standard comprennent les appareils électroménagers, les systèmes de communication, les équipements médicaux, la surveillance de capteurs analogiques, les routages/commutateurs audio et les mesures de test.Le XS3A2467 est un double commutateur analogique bipolaire bidirectionnel à faible valeur ohmique composé de quatre commutateurs, chacun avec deux entrées/sorties indépendantes et une entrée/sortie commune.
Le XS3A4051 est un commutateur analogique à 8 canaux et faible valeur ohmique avec huit commutateurs, trois entrées de sélection numérique, huit entrées/sorties indépendantes et une entrée/sortie commune.
Le XS3A4052 est un commutateur analogique unidirectionnel bipolaire à faible valeur ohmique et chaque commutateur dispose de quatre entrées/sorties indépendantes et d'une entrée/sortie commune.
Le XS3A4053 est un commutateur analogique unipolaire bidirectionnel à faible ohmique triple et chaque commutateur dispose d'une entrée de sélection numérique, de deux entrées/sorties indépendantes et d'une entrée/sortie commune.
Caractéristiques
- Large plage de tension d'alimentation de 1,4 V à 4,3 V
- Commutation BBM (sans contact à court-circuit).
- Haute immunité aux bruits
- CMOS faible consommation d'énergie
- La performance de verrouillage dépasse 100 mA selon le JESD78 classe II niveau A
- L'entrée de contrôle accepte des tensions supérieures à la tension d'alimentation
- Courant d'alimentation très faible (même lorsque l'entrée est inférieure à VCC)
- Capacité de traitement du courant élevé (courant continu de 350 mA sous une alimentation de 3,3 V)
- Spécifié de -40 °C à +85 °C et de -40 °C à +125 °C
- Série XS3A : 0,5 Ω
- Série XS5A1T : 4 Ω
- XS3A2467
- Résistance à l'état passant très faible (crête) :
- 1,6 Ω (standard) à VCC =1,4 V
- 1,0 Ω (standard) à VCC =1,65 V
- 0,55 Ω (standard) à VCC =2,3 V
- 0,5 Ω (standard) à VCC =2,7 V
- 0,5 Ω (standard) à VCC =4,3 V
- Protection ESD :
- HBM : ANSI/ESDA/JEDEC JS-001 dépasse 4 000 V
- CDM : ANSI/ESDA/JEDEC JS-002 dépasse 1 000 V
- La décharge de contact CEI 61000-4-2 dépasse 8 000 V pour les ports de commutation
- Logique de contrôle 1,8 V à VCC = 3,6 V
- Résistance à l'état passant très faible (crête) :
- XS3A4051
- Résistance à l'état passant très faible (crête) :
- 1,6 Ω (standard) à VCC =1,4 V
- 1,0 Ω (standard) à VCC =1,65 V
- 0,55 Ω (standard) à VCC =2,3 V
- 0,50 Ω (standard) à VCC =2,7 V
- 0,50 Ω (standard) à VCC =4,3 V
- Protection ESD :
- HBM : ANSI/ESDA/JEDEC JS-001 dépasse 8 000 V
- CDM : ANSI/ESDA/JEDEC JS-002 dépasse 1 000 V
- La décharge de contact CEI 61000-4-2 dépasse 8 000 V pour les ports de commutation
- Niveaux de seuil de commutation faibles
- Résistance à l'état passant très faible (crête) :
- XS3A4052
- Résistance à l'état passant très faible (crête) :
- 1,6 Ω (standard) à VCC = 1,4 V
- 1,0 Ω (standard) à VCC =1,65 V
- 0,55 Ω (standard) à VCC =2,3 V
- 0,50 Ω (standard) à VCC =2,7 V
- 0,50 Ω (standard) à VCC =4,3 V
- Protection ESD :
- HBM : ANSI/ESDA/JEDEC JS-001 dépasse 6 000 V
- CDM : ANSI/ESDA/JEDEC JS-002 dépasse 1 000 V
- La décharge de contact CEI 61000-4-2 dépasse 8 000 V pour les ports de commutation
- Niveaux de seuil de commutation faibles
- Résistance à l'état passant très faible (crête) :
- XS3A4053
- Résistance à l'état passant très faible (crête) :
- 1,6 Ω (standard) à VCC = 1,4 V
- 1,0 Ω (standard) à VCC = 1,65 V
- 0,55 Ω (standard) à VCC = 2,3 V
- 0,5 Ω (standard) à VCC = 2,7 V
- 0,5 Ω (standard) à VCC = 4,3 V
- Protection ESD :
- HBM : ANSI/ESDA/JEDEC JS-001 dépasse 4 000 V
- CDM : ANSI/ESDA/JEDEC JS-002 dépasse 1 000 V
- La décharge de contact CEI 61000-4-2 dépasse 8 000 V pour les ports de commutation
- Logique de contrôle 1,8 V à VCC = 3,6 V
- Résistance à l'état passant très faible (crête) :
Applications
- Électroménager
- Systèmes de communication
- Équipements médicaux
- Surveillance de capteur analogique
- Routage/commutation audio
- Test et mesure
- Commutateurs de centre de données
- Serveurs en rack
- Unités de climatisation
- Imprimantes multifonction
Schéma de principe
Ressources supplémentaires
| Numéro de pièce | Fiche technique | Description |
|---|---|---|
| XS5A1T4157GWH | ![]() |
CI commutateur analogique SOT363-2 ANALOG SWITCH PREC |
| XS3A2467PWJ | ![]() |
CI commutateur analogique TSSOP-16 ANALOG SWITCH IC |
| XS3A4052PWJ | ![]() |
CI commutateur analogique TSSOP-16 ANALOG SWITCH IC |
| XS3A4053PWJ | ![]() |
CI commutateur analogique TSSOP-16 ANALOG SWITCH IC |
| XS3A4051PWJ | ![]() |
CI commutateur analogique TSSOP-16 ANALOG SWITCH IC |

