Nexperia Transistor bipolaire PNP PBSS5330X
Le transistor bipolaire PNP Nexperia PBSS5330X est conçu avec une tension de saturation collecteur-émetteur faible et est logé dans un boîtier compact SOT89 (SC-62) monté en surface. Ce transistor présente une capacité de courant collecteur élevée et offre une haute efficacité, ce qui entraîne une génération de chaleur réduite. Le transistor PBSS5330X est conforme AEC-Q101 et convient aux applications nécessitant une haute efficacité et de configurations de PCB compactes. Certaines des applications incluent les convertisseurs CC-CC, les chargeurs de batteries, le rétro-éclairage LCD et les interfaces périphériques.Caractéristiques
- Tension de saturation collecteur-émetteur faible (VCEsat)
- Haute capacité de courant de collecteur (IC = -3 A)
- Tension de collecteur à émetteur de -30 V (VCEO)
- Efficacité accrue entraînant une génération de chaleur réduite
- Besoins réduits en circuits imprimés
- Qualification AEC-Q101
- Plage de température de stockage de -65 °C à 150 °C
- Boîtier en plastique monté en surface (CMS) et à plat fil SOT89 (SC-62)
Applications
- Gestion de l'alimentation :
- Convertisseurs CC/CC
- Commutation de la ligne d'alimentation
- Chargeurs de batteries
- Rétro-éclairage LCD
- Interfaces périphériques :
- Pilotes dans des applications à faible tension d'alimentation (par exemple, les lampes et les LED)
- Pilotes de charges inductives (par exemple, relais, avertisseurs et moteurs)
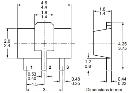
Profil de boîtier
Publié le: 2025-09-08
| Mis à jour le: 2026-02-24
