Nexperia Transistor bipolaire PNP PBSS5250X
Le transistor bipolaire PNP PBSS5250X de Nexperia est conçu avec une tension de saturation collecteur-émetteur (VCEsat) faible et est logé dans un boîtier en plastique CMS SOT89 (SC-62) compact. Ce transistor offre une capacité de courant collecteur élevée et une haute efficacité, ce qui se traduit par une génération de chaleur réduite. Le transistor PBSS5250X est conforme AEC-Q101 et convient aux applications nécessitant une haute efficacité et des configurations de PCB compactes. Certaines de ses applications incluent les convertisseurs CC-CC, les chargeurs de batteries, le rétro-éclairage LCD et les interfaces périphériques.Caractéristiques
- Faible tension de saturation collecteur-émetteur (VCEsat)
- Haute capacité de courant collecteur (IC = -2 A)
- Tension collecteur-émetteur (VCEO) de -50 V
- Efficacité accrue se traduisant par une génération de chaleur réduite
- Besoins réduits en circuits imprimés
- Qualification AEC-Q101
- Plage de température de stockage de -65 °C à 150 °C
- Boîtier en plastique monté en surface (CMS) et à plat fil SOT89 (SC-62)
Applications
- Gestion de l'alimentation :
- Convertisseurs CC/CC
- Commutation de la ligne d'alimentation
- Chargeurs de batteries
- Rétro-éclairage LCD
- Interfaces périphériques :
- Pilotes dans des applications à faible tension d'alimentation (par exemple, les lampes et les LED)
- Pilotes de charges inductives (par exemple, relais, avertisseurs et moteurs)
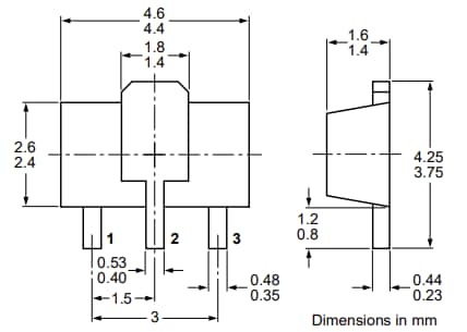
Profil de boîtier
Publié le: 2025-09-08
| Mis à jour le: 2026-02-24
