Nexperia NXB0104 AutoSense Translating Transceivers
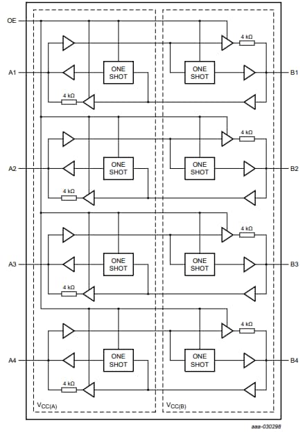
Nexperia NXB0104 AutoSense Dual Supply Translating Transceivers feature auto direction sensing, enabling bidirectional voltage level translation. The transceivers include two 4-bit input-output ports (An and Bn), one output enable input (OE) and two supply pins (VCC(A) and VCC(B)). VCC(A) can be supplied at any voltage between 1.2V and 3.6V, while VCC(B) can be supplied at any voltage between 1.65V and 5.5V. Those features make the devices suitable for translating between low-voltage nodes (1.2V, 1.5V, 1.8V, 2.5V, 3.3V, and 5.0V). The devices are fully specified for partial-power-down applications using IOFF.The Nexperia NXB0104-Q100 has qualified for the Automotive Electronics Council (AEC) standard Q100 (Grade 1) and is suitable for automotive applications.
Features
- Wide supply voltage range
- VCC(A): 1.2V to 3.6V and VCC(B): 1.65V to 5.5V
- IOFF circuitry provides partial-power-down mode operation
- Inputs accept voltages up to 5.5V
- ESD protection
- HBM: ANSI/ESDA/JEDEC JS-001 Class 2 exceeds 2.5kV for A port
- HBM: ANSI/ESDA/JEDEC JS-001 Class 3B exceeds 15kV for B port
- CDM: ANSI/ESDA/JEDEC JS-002 Class C3 exceeds 1.5kV
- Latch-up performance exceeds 100mA per JESD 78B Class II
- NXB0104-Q100
- ESD protection
- MIL-STD-883, method 3015 Class 2 exceeds 2.5kV for A port
- MIL-STD-883, method 3015 Class 3B exceeds 15kV for B port
- Automotive product qualification in accordance with AEC-Q100 (Grade 1)
- Specified from -40°C to +85°C and from -40°C to +125°C
Block Diagram
Publié le: 2019-12-04
| Mis à jour le: 2023-05-05
