Nexperia Pilote LED linéaire automobile NEX13120-Q100
Le pilote LED linéaire automobile NEX13120-Q100 de Nexperia est conforme à la norme AEC-Q100 de grade 1 et conçu pour les applications haute tension. Le NEX13120-Q100 de Nexperia prend en charge jusqu'à 100 mA de courant de sortie par canal avec des capacités de graduation analogique et MLI, garantissant un contrôle exact et une grande précision. Le dispositif intègre l'UART sur CAN pour une communication à longue distance, ce qui rend le pilote LED idéal pour les systèmes d'éclairage extérieur automobile. De plus, le composant dispose de diagnostics pour la détection de LED en circuit ouvert, de court-circuit à la terre et de court-circuit d'une seule LED, ainsi que d'un watchdog configurable pour une exploitation sans risque de panne.Caractéristiques
- Homologué AEC-Q100 pour les applications automobiles, spécifié de -40 °C à +125 °C
- Fonction de sécurité
- Sortie de courant côté haut de précision à 12 canaux
- 4,5 V à 36 V VBAT et 3,8 V à 36 V VS
- Jusqu'à 100 mA de courant par canal
- Paramétrage de courant indépendant de 6 bits, global 2 bits
- Précision du courant dans les ±5 % de 18 mA à 100 mA
- Chutes de tension faibles - 600 mV à 100 mA
- Gradation PWM indépendante 12 bits
- Fréquence MLI programmable de 50 Hz à 23,4 kHz
- Méthode de gradation linéaire et exponentielle
- Interface UART intégrée
- Débit de données jusqu'à 2 Mbit/s
- Prend en charge le format de données UART
- Prend en charge l'adresse esclave 27 définie par la résistance
- Boîtier HTSSOP24 (SOT8083-1) à rétractabilité mince et à faible encombrement thermiquement amélioré, 24 fils, corps de taille de 7,8 mm x 4,4 mm x 1,2 mm
- Diagnostics et protections
- État à sécurité intégrée programmable
- Détection de circuit ouvert LED
- Détection de court-circuit LED
- Diagnostic de court-circuit à LED simple
- Détection programmable de la basse tension VS
- Broche FLT à drain ouvert pour l'indication de panne
- Watchdog et CRC pour la ligne de données
- Vérification ECC MTP
- Convertisseur analogique-numérique (CAN) à 8 bits pour la mesure de la tension de broche
- Protection contre la surchauffe
- Protection DES
- HBM : dépasse 2 000 V selon ANSI/ESDA/JEDEC JS-001 classe 2
- CDM : dépasse 500 V selon ANSI/ESDA/JEDEC JS-002 classe C2a
Applications
- Feux automobiles extérieurs arrière
- Phares automobiles extérieurs
Vidéos
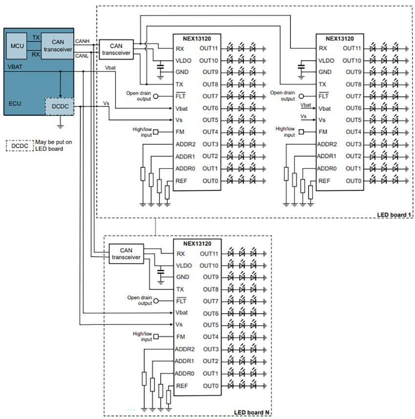
Circuit d'application standard
Schéma de principe d'application
Publié le: 2025-04-07
| Mis à jour le: 2025-08-10
