Nexperia Carte d'évaluation NEVB-NID5100
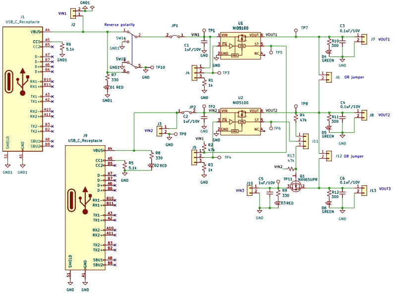
La carte d’évaluation NEVB-NID5100 de Nexperia est une carte de circuit imprimé (PCB) à deux couches équipée de deux diodes idéales NID5100 et d’un transistor PMOS. Cette carte évalue les performances sur divers cas d’utilisation tels que OR-ing, OR-ing avec un transistor PMOS externe, OR-ing de priorité et protection contre la polarité inverse. La carte d’évaluation NEVB-NID5100 dispose d’une plage de tension de fonctionnement d’entrée de 1,2 V à 5,5 V et d’un courant de sortie continu de 1,5 A. Cette carte comprend trois entrées d'alimentation et deux entrées d'alimentation USB-C™ supplémentaires.Caractéristiques
- Plage de tension d’exploitation d’entrée de 1,2 V à 5,5 V (VIN)
- Courant de sortie continu de 1,5 A
- Trois entrées d'alimentation
- Deux entrées d'alimentation USB-C™ supplémentaires
- Accès à toutes les broches du dispositif
- Sélection du cas d'utilisation au moyen de cavaliers
Schéma de principe
Ressources supplémentaires
Publié le: 2024-08-06
| Mis à jour le: 2024-08-29
