Nexperia Registre à décalage 8 bits 74HCS595
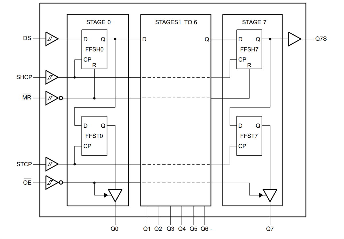
Le registre à décalage 8 bits 74HCS595 de Nexperia offre un registre de stockage avec des sorties 3 états, le registre de décalage et de stockage fournissant des horloges séparées. Le registre à décalage série-entrée/série ou parallèle-sortie offre une entrée série (DS) et une sortie série (Q7S) pour permettre le couplage et une entrée MR de réinitialisation asynchrone. Par ailleurs, un état bas sur MR réinitialisera le registre à décalage et les données seront décalées sur les transitions de l'état bas à l'état haut de l'entrée SHCP.Si les deux horloges sont connectées, le registre à décalage sera toujours en avance d'une impulsion d'horloge par rapport au registre de stockage. Les données dans le registre de stockage se matérialisent à la sortie lorsque l'entrée d'activation de la sortie (OE) est à l'état bas. Un état haut sur l'OE amène les sorties à adopter un état OFF haute impédance, l'exploitation de l'entrée OE n'affecte pas l'état des registres. Les entrées incluent des diodes de blocage qui permettent l'utilisation de résistances de blocage pour interfacer les entrées qui ont des tensions supérieures à VCC. Toutes les entrées sont des entrées à bascule Schmitt capables de transformer des signaux d'entrée et de lentement les changer en signaux de sortie nettement définis et sans gigue.
Le registre à décalage 8 bits 74HCS595-Q100 de Nexperia respecte la norme AEC-Q100 grade 1 et est spécifié de -40 °C à +85 °C et de -40 °C à +125 °C.
Caractéristiques
- Qualification de produit automobile conformément à la norme AEC-Q100 Grade 1 (74HCS595-Q100)
- Spécifié de -40 °C à +85 °C et de -40 °C à +125 °C
- Plage de tension d'alimentation étendue de 2,0 V à 6,0 V
- Entrées à déclenchement Schmitt
- Faible consommation électrique
- Courant d'alimentation standard (ICC) de 100 nA
- Courant de fuite d'entrée standard (II) de ±10 nA
- Sortie de commande de ±7,8 mA à 6 V
- Entrée série de 8 bits et sortie série ou parallèle de 8 bits
- Registre de stockage avec sorties 3 états
- Registre à décalage avec effacement direct
- Les performances de verrouillage dépassent 100 mA selon JESD 78 Classe II Niveau B
- Conformité aux normes JEDEC JESD7A (2,0 V à 6,0 V)
- Protection DES :
- HBM : ANSI/ESDA/JEDEC JS-001 classe 3 A dépasse 4 000 V
- CDM : ANSI/ESDA/JEDEC JS-002 classe C3 dépasse 1 500 V
- Plusieurs options de boîtier
Applications
- Conversion des données série vers parallèle
- Registre de rétention de contrôle à distance
- Extension de sortie
- Contrôle matrice LED
- Contrôle d'affichage à 7 segments
- Stockage de données 8 bits
Fiches techniques
Schéma de principe
