New Energy LED MOD BLOCKS
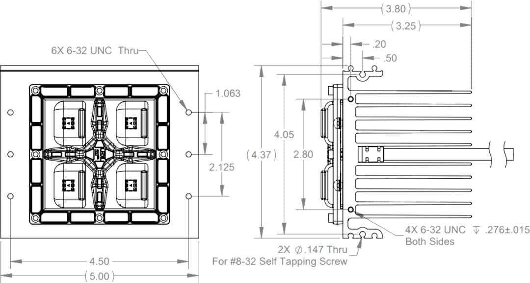
New Energy MOD BLOCKS are IP67-rated LED modules based on the Cree® Xlamp® XHP (Extreme High Power) family of LEDs. The MOD BLOCKS Feature a robust thermal system, outdoor-rated cabling, and multiple mounting options. Their modular design is engineered to bring high-quality lighting systems to market faster with fewer LEDs, higher reliability, and a lower system cost. Integrating multiple MOD BLOCKS is easy due to their interlocking design.Features
- Robust, flexible, and versatile modules engineered for high quality lighting systems
- Based on Cree Extreme High Power (XHP) LEDs for high lumen output and reliability
- Integrated heat sink and outdoor rated cabling
- Self-contained IP67 modules are ideal for outdoor applications or other difficult environments
- Interlocking design makes it easy to add multiple modules
- Designed for quick mounting to a housing or bracket
- Industry leading lumen density and lumens per pound
- RoHS compliant
Applications
- High masts
- Street lights
- Stadiums
- Architectural
- Canopy
- Garage
- Portable
- High bay
Datasheets
Dimensions (Performance)
Dimensions (Standard)
Publié le: 2017-05-12
| Mis à jour le: 2022-07-07
