Murata Power Solutions Convertisseurs CC-CC isolés 12 W série NCS12
Les convertisseurs CC-CC 12 W isolés série NCS12 de Murata Power Solutions offrent des tensions de sortie simples et doubles à partir de plages de tensions d'entrée de 9 à 36 V et de 18 à 75 V. Les appareils NCS12 sont contenus dans un boîtier au standard de l'insdustrie disposant d'un brochage standard et métallique pour optimiser le blindage EMI. Ces convertisseurs CC-CC Murata sont également encapsulés pour offrir des performances thermiques optimales. Leurs applications incluent les systèmes de télécommunications, ceux alimentés par batterie, les systèmes de contrôle de processus et d'alimentation électrique distribuée.Caractéristiques
- UL 60950 recognition pending
- 4:1 wide range voltage input
- Operating temperature range of -40°C to +85°C
- Typical load regulation from 0.05%
- 1.5kVDC isolation
- 3.3V, 5V, 12V, and 15V outputs
- UL 94V-0 package materials
- No electrolytic capacitors
- Thermal shutdown
- Undervoltage lock out
- Current fold back
Applications
- Telecommunications
- Battery powered systems
- Process control
- Distributed power systems
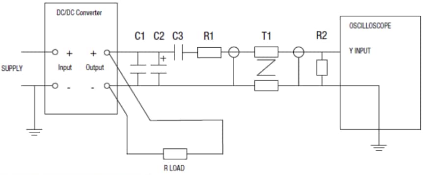
Differential Mode Noise Test Schematic
Publié le: 2013-10-22
| Mis à jour le: 2022-03-11
