Murata Power Solutions Convertisseurs CC-CC sortie unique 1 W isolés série MEU1
Les convertisseurs CC/CC à sortie unique 1 W isolés de la série MEU1 Murata constituent une nouvelle gamme de convertisseurs CC/CC 1 W traversants ultra-miniatures, disponibles dans un brochage de type ZIP. La série MEU1 propose 1 W de puissance disponible en sortie dans la plage de température industrielle de -40 ºC à 85 ºC. Elle convient idéalement pour fournir une alimentation locale aux cartes de systèmes de contrôle, avec l'avantage supplémentaire d'une isolation galvanique 1 kV CC pour réduire le bruit de commutation et permettre au dispositif d'être configuré pour fournir un rail négatif isolé dans des systèmes uniquement dotés de rails positifs. Cette série présente un encombrement réduit de 26 % par rapport au produit lancé précédemment, ce qui est spécifique à cette série plutôt qu'une norme du secteur.Caractéristiques
- Footprint reduction of over 26% from previous generations of 1W DC/DC's
- UL60950 recognition pending
- Single isolated output
- 1kVDC isolation
- Efficiency up to 87% typical
- Wide temperature performance at full 1W load, -40°C to +85°C
- Power density of 2.61W/cm3
- 3.3V, 5V, and 12V input
- 3.3V, 5V, 9V, 12V, and 15V output
- Custom solutions available
- PCB mounting
Caractéristiques techniques
- 67mA to 303mA output current range
- 6% to 14% maximum load regulation range
- 35mVp-p to 50mVp-p maximum ripple and noise range
- 103mA to 274mA input current range at rated load
- 28pF to 91pF typical isolation capacitance range
- 1.0W rated power
- 1000VDC minimum isolation test voltage
- 10GΩ minimum resistance
- 90kHz switching frequency
- Temperature ranges
- -40°C to +85°C operating
- -50°C to +125°C storage
- Free air convection cooling
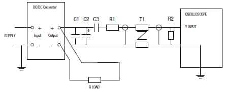
Differential Mode Noise Test Schematic
Package Specifications
Publié le: 2013-10-14
| Mis à jour le: 2025-12-11
