Monolithic Power Systems (MPS) MP3385B Step-Up Controllers
Monolithic Power Systems (MPS) MP3385B Step-Up Controllers consist of four regulated LED current channels designed to drive White LED (WLED) arrays. These controllers feature peak current control mode and Pulse-Width Modulation (PWM) control architecture for system loop regulation. The MP3385B controllers support analog, combined analog, Over Current Protection (OCP), Over-Temperature Protection (OTP), Under-Voltage Protection (UVP), and Over Voltage Protection (OVP). These controllers are available in a QFN-20 (4mm x 4mm) package. The MP3385B step-up controllers are ideally used in desktop LCD flat-panel displays, all-in-one PCs, and 2D and 3D LCD TVs.The MP3385B controllers also feature a 4.5V to 33V input voltage range, achieve 1.8% current matching between each string, and 100kHz to 900kHz configurable switching frequency. The low regulation voltage on the LED current sources improves efficiency and reduces power loss, resulting in higher current output.
Features
- Multiple dimming modes selectable via the I2C interface:
- Direct Pulse-Width Modulation (PWM) dimming mode
- Internal, fixed 23kHz PWM dimming mode via I2C
- Analog dimming mode via input pulse
- Internal analog dimming mode via I2C
- Mixed dimming mode via input pulse
- Internal mixed dimming mode via I2C
- Unused channel auto-detection during start-up
- 2% to 100% configurable full-scale current with 8-bit resolution
- 0% to 100% LED dimming range with 10-bit resolution for internal dimming mode
- Cascading capability with a single power source
- Recoverable thermal shutdown protection
- Available in a QFN-20 (4mm x 4mm) package
Specifications
- 4-string, maximum 300mA/string WLED driver
- 4.5V to 33V input voltage (VIN) range
- 18V to 80V Over-Voltage Protection (OVP), 2V/step
- 100kHz to 900kHz configurable switching Frequency range(fSW)
- 0.15V to 0.5V latch-off and recoverable Over-Current Protection (OCP) threshold, 50mV/step
- -40°C to 125°C operating junction temperature
- 150°C junction temperature
- 260°C lead temperature
- 80V absolute maximum rating for each string
- 1.8% current matching accuracy between each string
- ESD ratings:
- ±1800V Human Body Model (HBM)
- ±2000V Charged Device Model (CDM)
Applications
- Desktop LCD flat-panel displays
- All-in-one PCs
- 2D and 3D LCD TVs
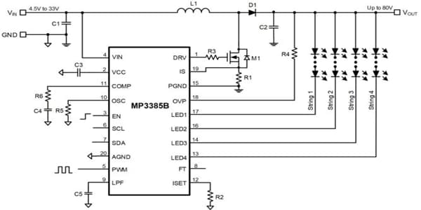
Typical Application Diagram
Functional Block Diagram
Publié le: 2023-06-07
| Mis à jour le: 2023-06-25
