Monolithic Power Systems (MPS) MP183 Zero Standby Buck Regulator
Monolithic Power Systems (MPS) MP183 Zero Standby Buck Regulator is a primary-side regulator that provides accurate constant voltage (CV) regulation without an optocoupler. It supports buck, buck-boost, and flyback topologies. The MP183 has an integrated 700V MOSFET that simplifies structure and reduces costs, making it well-suited for offline, low-power applications.The MP183 is a green-mode operation regulator. Both the current limit (ILIMIT) and the switching frequency (fSW) decrease as the load decreases, which provides excellent efficiency at light loads, and burst mode prevents audible noise. The MP183 can achieve less than 3mW of no-load consumption under 265VAC, ideal for Internet of Things (IoT) applications, such as smart plugs and wall switches.
The MP183 features various protections, including Thermal Shutdown (TSD), VCC Under-Voltage Lockout (UVLO), Brown-In (B/I), Open-Loop Detection (OLD), Overload Protection (OLP), and Short-Circuit Protection (SCP). The Monolithic Power Systems (MPS) MP183 is available in TSOT23-5 and SOIC-8 packages.
Features
- Constant Voltage (CV) control supports buck, buck-boost, and flyback topologies
- Integrated 700V, 17.5Ω MOSFET
- Internal High-Voltage (HV) current source
- Externally adjustable or internally fixed 12V output
- Improved Electromagnetic Interference (EMI) performance
- <3mW no-load consumption at 265VAC and 5V output
- Anti-audible operation with burst mode
- Frequency foldback
- Thermal Shutdown (TSD), VCC Under-Voltage Lockout (UVLO), Brown-In (B/I), Open-Loop Detection (OLD), Overload Protection (OLP), and Short-Circuit Protection (SCP)
- Available in SOIC-8 and TSOT23-5 packages
Applications
- Internet of Things (IoT) power supplies, including non-neutral applications
- Non-isolated modules
- Ultra-low consumption standby and auxiliary supplies
Typical Flyback Converter Application
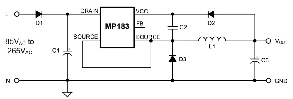
Typical Buck Converter Application
Publié le: 2025-07-11
| Mis à jour le: 2025-07-21
