Molex Connecteurs et fiches Extreme étanches
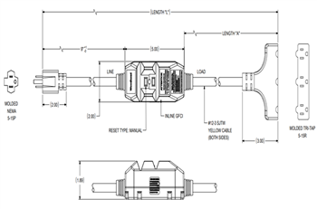
Les fiches et connecteurs extrêmes étanches sont conçus pour fonctionner dans des conditions extrêmes et dans les environnements les plus difficiles. Ces produits incluent des branchements de câble avec des fiches et des connecteurs étanches. Ces fiches et connecteurs sont conçus pour éviter les blessures ou les décès associés à des accidents électriques dans les chantiers de construction et autres environnements industriels difficiles. Ces produits maintiennent les opérations en conformité, aident à réduire les risques potentiels de sécurité, évitent les amendes OSHA et minimisent le risque et le coût des accidents du travail. Les fiches et connecteurs Extreme étanches de Molex sont applicables aux sites de construction, aux entreprises de services électriques, aux services de maintenance, à la distribution d’énergie, aux distributeurs automatiques et aux fontaines d’eau/de boisson.Caractéristiques
- Fonction de réinitialisation automatique/manuelle
- Prise en charge de courant fort jusqu’à 30 A
- Différentes tensions nominales
- Valeurs nominales NEMA 3R, 4X et 6P
- LED indicator
- Relais de détection à neutre ouvert
- Double isolé
Applications
- Chantiers de construction
- Entreprises de services électriques
- Services d'entretien
- Distribution de l’énergie
- Distributeurs automatiques
- Fontaines d'eau/de boisson
Vidéos
Publié le: 2022-04-13
| Mis à jour le: 2023-01-30
