Mini-Circuits ZX60-53LN+ Low Noise Coaxial Amplifier
Mini-Circuits ZX60-53LN+ Low Noise Coaxial Amplifier offers industry-leading performance over its full frequency range from 0.5GHz to 5.0GHz. The internal MMIC amplifier ZX60-53LN+ utilizes E-PHEMT technology to achieve excellent noise figure performance in a unique cascade configuration. This technology enables the Mini-Circuits ZX60-53LN+ to combine wideband performance and flat gain. This device operates on a single 5V supply and comes in a rugged, compact unibody case with SMA connectors, making it an excellent candidate for tough operating conditions and crowded system layouts.Features
- 0.5GHz to 5.0GHz frequency range
- 1.45db typical at 2.0GHz low noise figure
- ±0.7dB typical ultra-flat gain at 0.5GHz to 2.0GHz
- 21.0dB typical high gain at 2.0GHz
- 30.0dB typical high IP3 at 2.0GHz
- 5V operating voltage
- 80mA typical operating current
- -40°C to +85°C operating temperature range
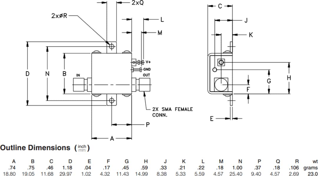
- Rugged, 0.74" x 0.75" x 0.46" unibody construction
- RoHS compliant
Applications
- Wireless base station systems
- Test and measurement systems
- Multi-band receivers
Technical Resources
Package Dimensions
Publié le: 2020-06-30
| Mis à jour le: 2024-05-13
