Mini-Circuits PMA2-162LNA+ SMT Low Noise Amplifier
Mini-Circuits PMA2-162LNA+ SMT Low Noise Amplifier is an E-pHEMT MMIC amplifier operating from 700MHz to 1600MHz frequency range. This low-noise amplifier offers adjustable gain ranging from 19.7dB to 23.5dB (typical) and comes in a 2mm x 2mm 8-lead SMT package. The PMA2-162LNA+ amplifier features a low-noise figure of 0.5dB (typical) while providing 20dBm P1dB with 18dB typical return loss with a +4V and 55mA DC power. With RF ports internally matched to 50Ω, this E-pHEMT MMIC amplifier enables easy integration into microwave system PC boards. The PMA2-162LNA+ SMT amplifier operates within the -40°C to 85°C temperature range and is RoHS compliant. Typical applications include portable wireless, base station infrastructure, LTE, GPS, and GSM.Features
- 0.5dB typical noise figure
- 19.7dB to 23.5dB typical adjustable gain
- Class 1B HBM ESD (500V)
- +30dBm typical OIP3
- E-pHEMT based design
- 700MHz to 1600MHz operating frequency range
- +20dBm typical P1dB
- 50Ω internal matching
Specifications
- -40°C to 85°C operating temperature range
- -65°C to 150°C storage temperature range
- 0.55W total power dissipation
- 150°C storage temperature
- 130mA current (Is)
- RoHS compliant
- ENV08T1 environmental ratings
- 2mm x 2mm 8-lead SMT package
Applications
- Base station infrastructure
- Portable wireless
- LTE
- GPS
- GSM
- Airborne radar
Functional Diagram
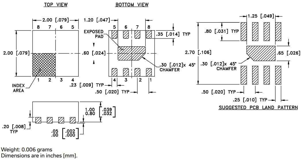
Dimensions
Publié le: 2023-06-15
| Mis à jour le: 2023-07-05
