Mikroe Flash 4 click (MIKROE-3191)
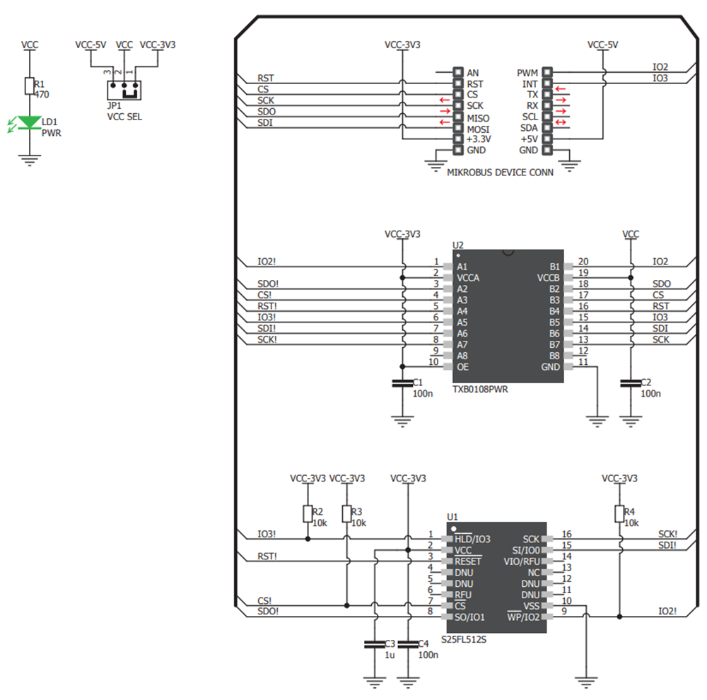
Mikroe MIKROE-3191 Flash 4 click is a solution for mass storage in various embedded applications. Flash 4 click can be used for code shadowing, execute-in-place (XIP), and data storage. Flash 4 click features the S25FL512S Flash memory module made by combined high-performance MIRRORBIT™ technology and Eclipse™ architecture. The 512 Mbit SPI Flash memory module is one of the market's fastest and most reliable Flash modules.Features
- 100,000 write cycles' durability
- Advanced sector protection (ASP)
- Secure OTP memory block
- 1KB OTP memory
- High transfer speed
- SFDP mode for easy retrieval of IC-specific information
- AutoBoot function for improved startup performance
- Interface: QSPI, SPI
- 3.3V or 5V input voltage
- Cypress S25FL512S 512Mbit SPI Flash memory module onboard
Applications
- Mass storage option in multimedia devices and data drives
- Non-volatile data storage in embedded applications, secure storage, and similar applications that require reliable permanent storage
Schematic
Overview
Publié le: 2018-12-20
| Mis à jour le: 2023-04-25
