Mikroe MIKROE-3115 ADC 7 Click
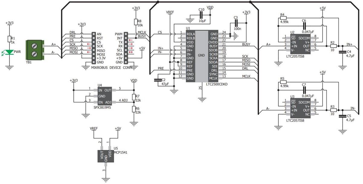
Mikroe MIKROE-3115 ADC 7 Click is an advanced 32bit Analog-to-Digital Converter (ADC) with a wide dynamic range that allows very precise sampling of the input voltage. This Mikroe Click uses a 32-bit oversampling SAR ADC with a configurable LTC2500-32 digital filter. The filter provides several presets (selectable via the hardware pin) and programming of the filtering parameters via the industry-standard SPI interface. The LTC2500-32 offers a high dynamic range of 148dB at 61 Samples Per Second (SPS) and 32-bit output with no missing codes. The MIKROE-3115 ADC 7 Click board provides 4.096V from a tiny MCP1541 fixed reference voltage IC that is used as an external reference voltage to the LTC2500-32 ADC. This Click board is ideally suited for seismology applications, high precision instrumentation, energy exploration, and similar sensitive applications that require very high sampling accuracy.Features
- Seven types of integrated digital filters with programmable options
- 32-bit data output with a high dynamic range
- Onboard modules:
- Uses a 32bit oversampling SAR ADC with a configurable LTC2500-32 digital filter
- High dynamic range of 148dB at 61SPS
- 32bit output with no missing codes
- LTC2057 operational amplifier from Analog Devices
- High voltage, low noise, and zero-drift
- Microchip MCP1541 fixed reference voltage IC to provide 4.096V
- Uses a 32bit oversampling SAR ADC with a configurable LTC2500-32 digital filter
- A wide range of common mode voltage allows different kinds of bipolar and unipolar input signals to be sampled
Applications
- High precision instrumentation
- Seismology applications
- Sensitive applications that require very high sampling accuracy
- Energy exploration applications
Overview
Schematic
Learn More About
Publié le: 2018-10-24
| Mis à jour le: 2022-08-25
