Mikroe LED Flash 3 Click
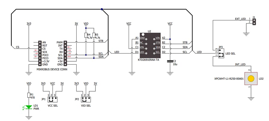
Mikroe LED Flash 3 Click is a compact add-on board designed for flash and torch light development. The board integrates a KTD2691 onboard module, which is an inductor-less, single-flash LED driver. The driver allows users to program the LED current over the software while working in flash mode or using a hardware strobe pin. The Mikroe LED Flash 3 Click is fully compatible with mikroBUS™ sockets, providing evaluation flexibility. The board offers various protection functionalities, including low voltage protection (LVP), under voltage lock-out (UVLO), thermal shutdown, and LED short/open protection. The add-on board uses a standard 2-wire I2C interface to communicate with the host MCU, capable of operating from a 3.3V to 5V input current range. The LED Flash 3 Click is an ideal solution for handheld lighting devices, including small cameras, cell phone flashlights, signals, bicycles, and car taillights.Features
- I2C interface programming
- Hardware strobe control
- Single-channel programmable current source
- Compatible with mikroBUS
- Includes KTD2691 on-board module
- Flash and torch modes
- Input LVP
- Flash time-out protection
- LED open/short protection
- External LED connection
Applications
- Flash/torch light development
- Handheld devices
- Small camera lights
- Cell phone flashlights
- Signal lights
- Bicycle lights
- Car taillights
Specifications
- 28.6mm x 25.4mm click board dimensions
- 3.3V to 5V input voltage range
- 1.5A flash current rating
- 376mA torch current rating
Board Layout
Schematic
Publié le: 2024-02-22
| Mis à jour le: 2024-05-09
