Mikroe MIKROE-3399 Light Temp Click
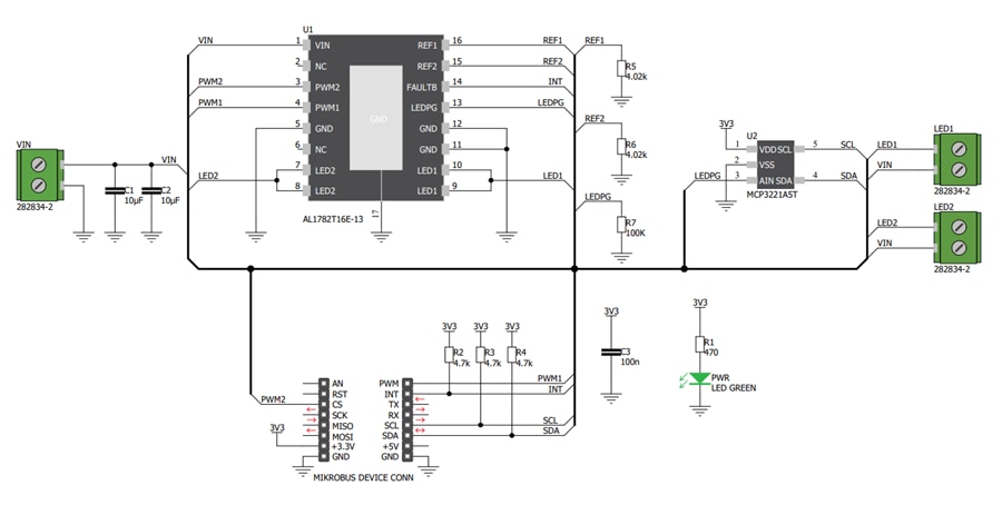
Mikroe MIKROE-3399 Light Temp Click is a dual-channel LED driver designed for Smart Connected Lighting (SCL). This Mikroe click comes with an onboard Diodes Inc. AL1782 dual-channel PWM dimmable linear LED driver and Microchip MCP3221 low-power 12-bit A/D converter with an I2C interface. The light temp click employs E-flicker-free technology with deep dimming capability that comes to use in both single-channel dimmable white and dual-channel tunable white SCL. This click features an adaptive thermal management scheme that reduces power dissipation and integrates under-voltage, open or short circuit at the output, and thermal protection. Typical applications include smart lighting, SCL LED bulbs, driving LED strips, and high-power LEDs.Features
- Dual-channel LED driver
- Onboard modules
- AL1782 dual-channel PWM dimmable linear LED driver
- MCP3221 low-power 12-bit A/D converter
- Protection features
- Under-voltage protection
- Open or short-circuit protection at the output
- Thermal protection
- High-frequency E-flicker-free technology with deep dimming capability
- Adaptive thermal management scheme
- I2C and PWM interface
- 3.3V input voltage
- 42.9mm x 25.4mm dimension
Light Temp Click Overview
Light Temp Click Schematic Diagram
Publié le: 2019-05-02
| Mis à jour le: 2023-09-28
