Microchip Technology CI de commutateur T/R à ultrasons
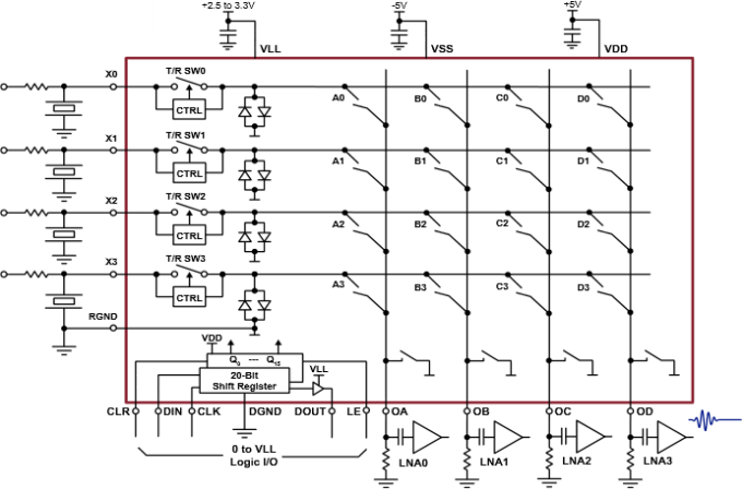
Les CI de commutateur T/R à ultrasons Microchip offrent une protection de limitation du courant à tension élevée. Les CI de commutateur T/R à ultrasons Microchip sont conçus pour protéger un récepteur à bruit faible contre les impulsions de transmission à haute tension dans les applications à ultrasons. Ils sont généralement appelés commutateur T/R (transmission et réception). Les CI de commutateur T/R à ultrasons peuvent être considérés comme un interrupteur normalement fermé avec une résistance de commutation standard de 15 Ω, ce qui permet le passage des petits signaux. Lorsque la chute de tension sur les deux terminaux dépasse une tension nominale, l'appareil s'arrête. En état désactivé, les MD0105, MD0200 et MD0201 peuvent résister à un maximum de ±130 V sur leurs bornes, tandis que le MD0101 peut résister à ±100 V. Une faible quantité de courant, généralement 200 μA, est autorisée à circuler. L'utilisation des CI de commutateur T/R à ultrasons ne se limite pas aux applications à ultrasons. Ils peuvent être utilisés comme fusibles réarmables afin de protéger les lignes de courant et contre les courts-circuits de sortie, ainsi que pour l'acquisition de données.Caractéristiques
- Fast switching speed
- Four electrically isolated channels
- No external supplies needed
Applications
- Medical ultrasound imaging
- NDT applications
- Fast resettable fuses
- High side switches
- Data acquisition
View Results ( 2 ) Page
| Numéro de pièce | Package/Boîte | Bande passante | Fiche technique | Description |
|---|---|---|---|---|
| MD0105K6-G | VDFN-18 | 100 MHz | ![]() |
CI commutateur - Divers 4CH HV PROTECTION SWITCH |
| MD0101K6-G | DFN-18 | 100 MHz | ![]() |
CI commutateur - Divers HV PROTECTION SWITCH W/ CLAMP DIODES |
Publié le: 2013-04-10
| Mis à jour le: 2022-03-11

