Microchip Technology Pulseur ultrasons haute vitesse HV7360
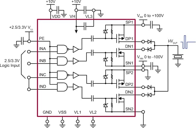
Le HV7360 de Microchip est un générateur d'impulsions haute tension et haute vitesse doté de FET d'atténuation intégrés avec retour rapide à zéro. Le circuit intégré haute tension et haute vitesse HV7360 Microchip est conçu pour les systèmes d'imagerie médicale à ultrasons portatifs, mais peut également être utilisé pour le CND et les applications d'équipement d'essai. Le HV7360 se compose d'un circuit d'interface logique pour contrôleur, de traducteurs de niveau, de commandes de grille MOSFET couplés CA et de MOSFET canal P et canal N haute tension et haute intensité comme étage de sortie. Les courants de sortie de crête de chaque canal sont garantis supérieurs à ±2,5 A avec jusqu'à ±100 V d'oscillation d'impulsions. La topologie de couplage CA pour les commandes de grille n'économise pas seulement deux alimentations flottantes, mais facilite également l'agencement du PCB.Caractéristiques
- HVCMOS technology for high performance
- High-density integration AC coupled pulser
- 0 to ±100V output voltage
- ±2.5A source and sink minimum pulse current
- Up to 35MHz operating frequency
- 2.0ns matched delay times
- 2.5, 3.3 or 5.0V CMOS logic interface
- Low power consumption and very simple to use
Applications
- Medical ultrasound imaging
- Piezoelectric transducer drivers
- NDT ultrasound transmission
- Pulse waveform generator
HV7360 Application Diagram
Publié le: 2013-08-19
| Mis à jour le: 2022-03-11
