Microchip Technology Pilote de grille XIFM
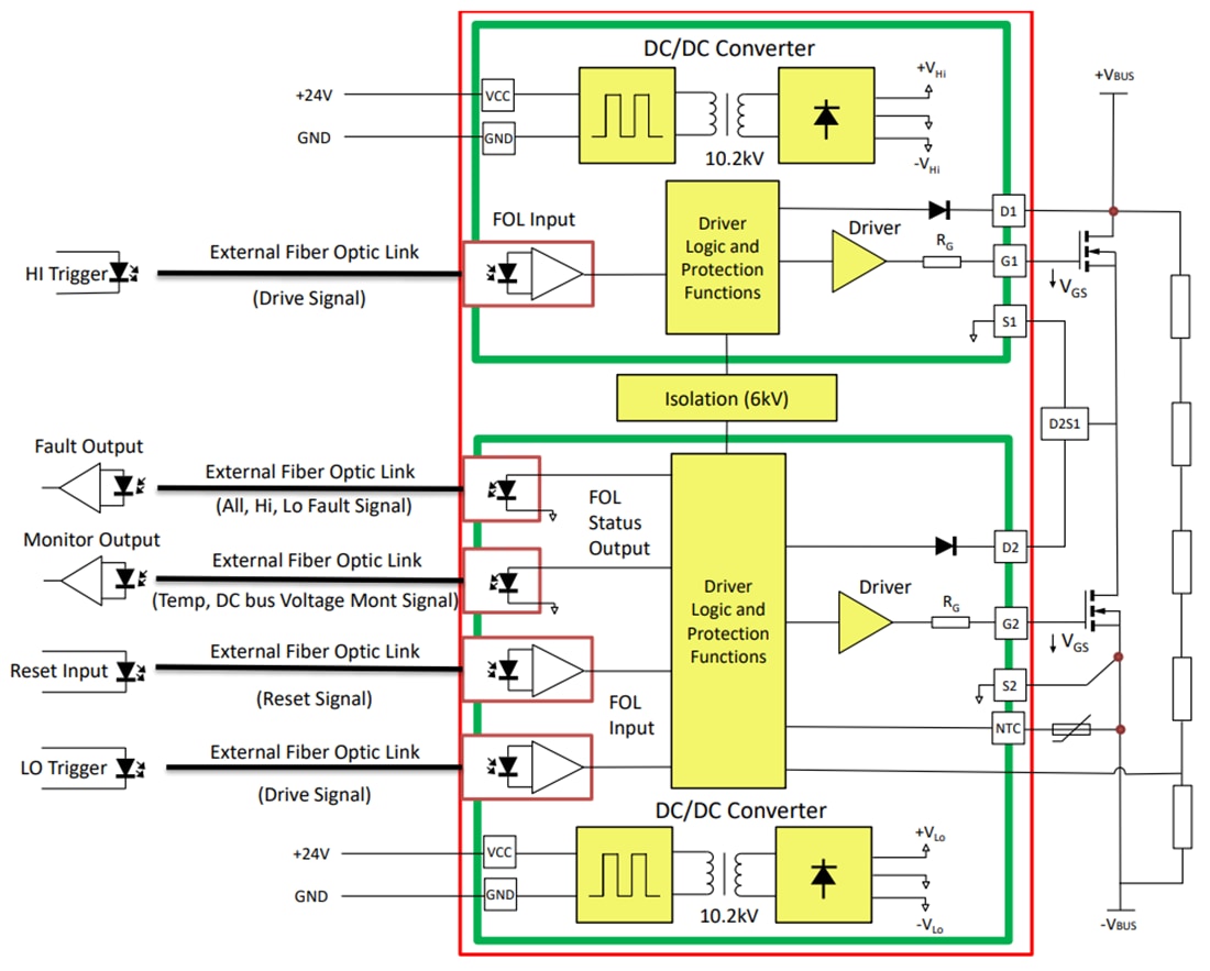
Le pilote de grille XIFM de Microchip est un pilote de grille mSiC™ intelligent, isolé et Plug-and-Play conçu pour piloter des modules SiC de 3,3 kV dans des boîtiers haute tension (HV) tels que l'HV LinPak/HV100. Le pilote de grille XIFM de Microchip comprend le contrôle de la commande de la grille, l'alimentation électrique, l'interface fibre optique et l'isolation haute tension (10,2 kV).Caractéristiques
- Prend en charge les modules SiC HV100/LinPak de 3,3 kV
- Isolation primaire-secondaire de 10,2 kV
- Commutation augmentée (démarrage et arrêt configurables)
- Fonctions de surveillance (température isolée, surveillance du circuit CC)
- Caractéristique de protection avancée (UVLO verouillage en cas de surtension (OVLO), Desat, coefficient de température négatif (NTC))
- Puissance de sortie 2 X 10 W
- Courant source/dissipateur de crête de 15 A
- Tensions de sortie de grille configurables
- Temps d'arrêt progressif (SSD) et niveau de tension
- Qualifié selon les normes suivantes
- Norme ferroviaire EN50155
- Conforme CEM à la norme EN 50121-3-2, EN 61000-6-4
- Choc et vibration selon la norme EN 61373
- Niveau de risque d'incendie HL2
Applications
- Traction ferroviaire (systèmes auxiliaires et de propulsion)
- Systèmes de chargement de la batterie
- Grille intelligente /production de distribution connectée au réseau
- Systèmes d'alimentation électrique ininterrompue (ASI)
- Entraînements à moteur industriels
- Équipements lourds
- Chargeurs moyenne tension/chargeurs rapides
Schéma de base
Publié le: 2025-01-13
| Mis à jour le: 2025-01-31
