Microchip Technology Microcontrôleurs CA80/CA90 PIC32CZ
Les microcontrôleurs (MCU) PIC32CZ CA80/CA90 de Microchip Technology sont des microcontrôleurs 32 bits haute performance basés sur un processeur Arm® Cortex®-M7. Ces MCU offrent jusqu’à 8 Mo de mémoire flash et 1 Mo de SRAM. Les microcontrôleurs CA80/CA90 offrent un large éventail d'options de connectivité, notamment USB haut débit, CAN FD, SQI, SDHC, I2S™, bus Media LB™, EBI et SERCOM. Ces MCU disposent d’une unité de protection de la mémoire (MPU), d’une détection des défaillances d’horloge avec un oscillateur RC interne à sécurité intégrée et d’une protection en écriture sur certains périphériques. Les MCU CA80/CA90 PIC32CZ sont disponibles en boîtiers TQFP et BGA à 100 broches, 144 broches, 176 broches et 208 broches.Les MCU CA90 PIC32CZ disposent d’un module de sécurité matérielle (HSM) intégré pour développer des applications sécurisées. Le HSM fournit toute l’accélération matérielle cryptographique, le stockage des clés et le TRNG pour mettre en œuvre des fonctionnalités de sécurité telles que le démarrage sécurisé, le TLS et le cryptage/décryptage. Les MCU CA80 PIC32CZ sont conçus pour mettre en œuvre des fonctionnalités et des applications telles que les passerelles industrielles, les graphiques et les applications automobiles.
Caractéristiques
- Connectivité :
- Jusqu’à 10 interfaces SERCOM, dont USART, I2C, SPI et LIN
- Jusqu’à deux modules I2S avec prise en charge du multiplexage à division temporelle (TDM)
- Jusqu’à deux Interfaces série quadruples (SQI)
- Jusqu’à six ports FD CAN avec accès direct à la mémoire (DMA) dédié
- Un contrôleur MediaLB®
- Jusqu’à deux ports USB 2.0 haut débit
- Ethernet 10/100/1000 avec DMA dédié, IEEE® 1588 et prise en charge Ethernet de pontage audio/vidéo (AVB)
- Sécurité fonctionnelle :
- ECC avec injection de défaillance sur flash et toutes les SRAM
- mBIST global
- Unité de protection de la mémoire (MPU)
- Protection en écriture sur certains périphériques
- Détection de défaillance d’horloge avec oscillateur RC interne à sécurité intégrée
- Regarder sur les interfaces de communication
- Le HSM disponible avec les microcontrôleurs MCU CA90 PIC32CZ offre les caractéristiques suivants :
- Cryptographie à clé publique RSA, DSA et ECC avec une longueur de clé jusqu’à 4 096 bits
- Le cryptage AES est entièrement conforme aux normes NIST FIPS 197 bits et 256 bits
- Hachage/MAC avec capacité MD-5, SHA-1, SHA-256, SHA-224, SHA-384, SHA-512 et SHA3
- Générateur de nombres réellement aléatoires (TRNG)
- Stockage sécurisé des clés
- Provisionnement en usine
Caractéristiques techniques
- Conditions de fonctionnement :
- VDDREG : de 1,75 V à 1,85 V, de -40 °C à 85 °C et CC à 300 MHz
- VDDIO/AVDD : de 1,75 V à 3,63 V, de 40 °C à 85 °C et CC à 300 MHz
- Arm Cortex ®-M7 de 300 MHz :
- Pipeline superscalaire (6 étapes avec prévision des branches)
- Cache L1 (16 ko de mémoire cache pour les instructions et les données, protégés par ECC)
- Jusqu’à 256 ko de mémoire étroitement couplée (TCM) (128 ko chacun de mémoire TCM pour les instructions et les données, protégés par ECC)
- Unité de protection de la mémoire (MPU) avec 8 régions
- Unité à virgule flottante (FPU) avec précision double et simple (32 bits et 64 bits)
- Unité d’accumulation multiple (MAC) avec débit sur un seul cycle
- Jeu d’instructions conforme à DSP Thumb®-2
- Gestion d’horloge :
- Oscillateur interne à ultra-faible puissance 32,768 kHz
- Événement de détection de défaillance d’horloge acheminé vers une interruption normale ou le contrôleur d’interruption non masquable (NMI) :
- Moniteur de fréquence CPU
- Détection de défaillance de l’oscillateur à quartz principal
- Moniteur de fréquence d’oscillateur à quartz 32,768 kHz
- Minuteur Watchdog indépendant (WDT)
- Oscillateur RC interne ajusté 48MHz de précision
- Jusqu’à deux PLL pour l’horloge système et une PLL pour les opérations USB haut débit
- FREQM : compteur de fréquence
- Gestion de l'alimentation :
- Réinitialisation à la mise sous tension (POR) et réinitialisation à la baisse de tension (BOR)
- Plusieurs modes de gestion de l’alimentation : modes inactif, veille, hibernation, sauvegarde et arrêt
- Horloge en temps réel (RTC) à ultra-faible puissance et minuteur en temps réel (RTT) :
- RTC avec calendrier grégorien et mode UTC, génération de sinusoïdes en modes basse consommation
- Circuit d’étalonnage de réglage de compteur RTC pour compenser les variations de fréquence de cristal 32,768 kHz
- Mémoires :
- Mémoire flash intégrée auto-programmable de 8 Mo, 4 Mo et 2 Mo avec :
- code de correction d’erreur (ECC = flash, SRAM, TrustRAM, cache et TCM)
- Double banque avec prise en charge de la lecture et de l’écriture (RWW) (mise à jour en direct)
- Jusqu’à 4 ko de mémoire OTP utilisateur émulée
- 2 x 80 ko supplémentaires de mémoire flash de démarrage (2x24 pages)
- Jusqu’à 256 ko de mémoire étroitement couplée (TCM) avec ECC
- Jusqu’à 8 Ko de SRAM supplémentaire :
- Peut être conservé en mode de secours
- Huit registres de sauvegarde 32 bits
- Mémoire flash intégrée auto-programmable de 8 Mo, 4 Mo et 2 Mo avec :
Applications
- MCU CA80 PIC32CZ :
- Passerelles industrielles
- Graphique
- Automobile
Mise en œuvre de la sécurité à l’aide des microcontrôleurs PIC32CZ CA90
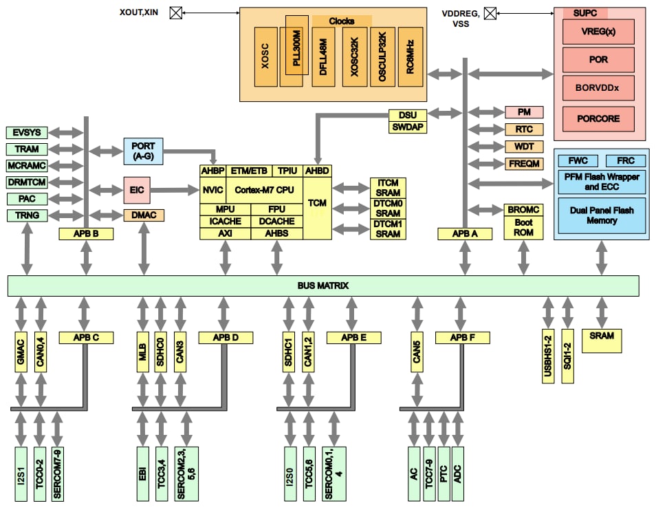
Schéma fonctionnel
Schéma de principe
Ressource supplémentaire
Publié le: 2024-01-12
| Mis à jour le: 2024-12-20
