Microchip Technology Contrôleurs PWM COT avancés MIC21LV32 et MIC21LV33
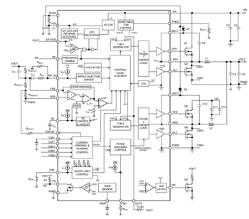
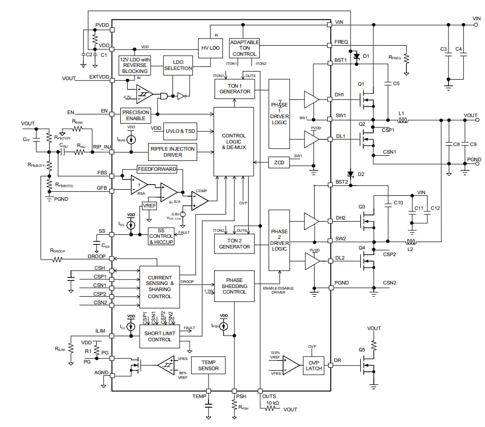
Les contrôleurs PWM COT avancés biphasés 36 V MIC21LV32 et MIC21LV33 de Microchip Technology fournissent une architecture de contrôle adaptative unique de la durée en fonctionnement. Le contrôleur MIC21LV33 comprend Hyperlight Load® et des fonctions de délestage de phase, tandis que le MIC21LV32 offre une fonction empilable jusqu'à 8 phases. L'architecture Hyper Speed Control® prend en charge une réponse transitoire ultrarapide sous des charges moyennes à lourdes. Le démarrage progressif est également programmable en externe avec un condensateur, permettant ainsi des démarrages sûrs dans des charges lourdes.Les MIC21LV32 et MIC21LV33 de Microchip fonctionnent sur une plage d'alimentation d'entrée de 4,5 V à 36 V et peuvent être utilisées pour fournir jusqu'à 50 A de courant de sortie. La tension d'entrée peut être abaissée à 2 V avec un VDD externe de 5 V fourni. La tension de sortie des composants est réglable jusqu'à 0,6 V avec une précision garantie de ±1 % sur toute la température de fonctionnement.
Les contrôleurs MIC21LV32 et MIC21LV33 sont disponibles en boîtier VQFN 32 broches de 5 mm x 5 mm avec une plage de température fonctionnement de jonction de -40 °C à +125 °C.
Caractéristiques
- Tension d'entrée de 4,5 V à 36 V
- Entrée réduite à 2 V lorsque VDD = 5 V à partir d'une alimentation externe
- Tension de sortie réglable de 0,6 V à 28 V
- Contrôle adaptatif à temps constant :
- Fonctionnement à DeltaV élevé
- Stable avec tout condensateur.
- Référence interne de 0,6 V avec une précision de ±1 %
- Précision de référence de ±0,5 % pour -40 °C à 105 °C
- Nouvelle méthode d'injection d'ondulation pour permettre un fonctionnement en cycle de service supérieur à 50 %
- Fonctionne en CCM, empilable pour un fonctionnement multiphasé jusqu'à huit phases (MIC21LV32)
- HyperLight Load® et délestage automatique de phase (MIC21LV33)
- Capacité d'Interface avec un MCU externe (MIC21LV33)
- Équilibrage précis du courant entre les phases
- Mise en phase précise des sorties à 180 °
- Fréquence de commutation de 100 kHz à 1 MHz par phase
- LDO interne haute tension 5 V pour un fonctionnement à alimentation unique (MIC21LV33)
- LDO secondaire pour améliorer l'efficacité du système
- Prend en charge du démarrage jusqu'à la sortie de pré-polarisation
- Amplificateur de détection à distance pour une régulation de sortie étroite
- Fonction d'abaissement pour prendre en charge le positionnement de tension adaptatif (AVP) pour une réponse transitoire de charge améliorée
- Fonction d'activation de précision pour faible courant de veille
- Démarrage progressif programmable externe pour réduire le courant d'appel
- Détection de courant RDSON sans perte avec compensation de température NTC ou méthode de détection par résistance
- Limitation de courant programmable et protection contre les courts-circuits en mode hoquet
- Arrêt thermique avec hystérésis
- Température de jonction de -40 °C à +125 °C
- Boîtier VQFN compact 32 broches 5 mm x 5 mm
Applications
- Systèmes d'alimentation distribués
- Infrastructure de communication/réseau
- Imprimantes, scanners, cartes graphiques et cartes vidéo
- Alimentations de noyau FPGA, CPU, MEM, GPU
Publié le: 2021-04-28
| Mis à jour le: 2022-04-20
