Microchip Technology Pilotes MCP8021/MCP8022 de grille moteur BLDC 3-Phase
Les pilotes de grille pour moteur CC brushless (BLDC) MCP8021 et MCP8022 3-Phase de Microchip Technology contiennent trois pilotes demi-pont intégrés capables de piloter trois paires de transistors NMOS/NMOS externes. Les trois pilotes demi-pont peuvent fournir un courant de sortie de crête de 0,5 A à 12 V pour piloter des transistors MOSFET NMOS côté haut et côté bas. Fonctionnant dans une plage de température de -40°C à +165°C, les pilotes disposent de protections contre les courts-circuits, les surintensités et les courts-circuits. Le mode veille atteint une clé “standard hors” courant de repos de 5µA.Les dispositifs MCP802x intègrent un régulateur LDO 3,3 V ou 5,0 V pour l’alimentation hôte/périphérique, un capteur de surchauffe et des fonctions configurables par l’utilisateur. Les fonctions configurables par l’utilisateur comprennent le temps mort, le temps d’effacement, l’activation/désactivation de l’ampli-op en veille, l’activation/la désactivation du mode veille, l’activation/la désactivation de la détection de surintensité et l’activation/désactivation de la protection contre les sous-tensions du pilote de grille. Les régulateurs de tension de décrochage 3,3 V ou 5,0 V embarqués peuvent fournir 70 mA de courant. L’option de tension est sélectionnée par référence.
Les options pour le MCP8021 comprennent les boîtiers 28-lead 5 mm x 5 mm VQFN et TSSOP-EP 28-lead. Le MCP8022 est disponible en boîtiers 40-lead 5 mm x 5 mm VQFN et TSSOP-EP 38-lead. Le dispositif MCP8022 ajoute également trois amplificateurs opérationnels indépendants pour un usage général.
Caractéristiques
- Homologué AEC-Q100 classe 0
- Pilotes 3x half-bridge configurés pour piloter des MOSFET NMOS côté haut et NMOS côté bas externes
- Contrôle d’entrée indépendant pour les pilotes de grille MOSFET NMOS côté haut et côté bas
- Courant de sortie de crête standard 0,5 A à 12 V
- Protection contre le courant transversal
- Protection contre les surintensités et les courts-circuits
- 3 amplificateurs opérationnels (MCP8022)
- Régulateur linéaire à sortie fixe
- 3,3 V ou 5,0 V à 70 mA
- Repli de courant réel
- Courant d'alimentation
- mode veille standard 5 µA
- Mode veille
- <330µA) pour MCP8021
- <33 0µA pour MCP8022 avec amplis opérationnels désactivés
- <1300 µA pour MCP8022 avec amplis op on
- Broche de réveil dédiée pour la récupération en mode veille
- Broche de défaillance dédiée
- communications UART à un seul fil
- Plages de tension
- Alimentation 4 V à 40 V
- Fonctionnement 6,25 V à 29 V
- Protections
- Verrouillage de sous-tension de pilote de grille 4,5 V
- Arrêt en sous-tension de tension d’alimentation 4,5 V
- Verrouillage de sous-tension d’alimentation 6,25 V
- Verrouillage de surtension 29 V
- Coupure thermique
- Options de boîtier
- MCP8021
- VQFN 28-lead 5 mm x 5 mm
- TSSOP-EP 28-lead
- MCP8022
- VQFN 40-lead 5 mm x 5 mm
- TSSOP-EP 38-lead
- MCP8021
- Plage de température de -40 °C à +165 °C
Applications
- Automobile
- Pompes à carburant, à eau et à huile
- Moteurs de ventilation
- Ascenseurs de fenêtre, ouvertures de coffre et toits solaires
- Appareils ménagers
- Commande de moteur synchrone à aimants permanents (PMSM)
- Aéronefs, bateaux et véhicules de loisir
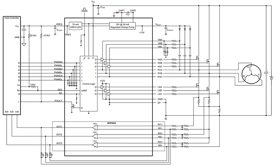
Circuit d'application standard
| Numéro de pièce | Fiche technique | Courant d'alimentation de fonctionnement | Tension de sortie | Package/Boîte |
|---|---|---|---|---|
| MCP8021-5015H/9PXVAO | ![]() |
1.2 mA | 5 V | VQFN-28 |
| MCP8022-3315H/NHXVAO | ![]() |
1.5 mA | 3.3 V | VQFN-40 |
| MCP8022-5015H/NHXVAO | ![]() |
1.5 mA | 5 V | VQFN-40 |

