Microchip Technology Contrôleurs LED HV96001
Les contrôleurs de LED HV96001 de Microchip Technology sont des contrôleurs de LED à micro-interface et sans scintillement avec une capacité de gradation PWM (numérique) et analogique améliorée. Ces pilotes de LED sont conçus pour les applications d'éclairage hors ligne nécessitant une grande capacité de gradation. Les contrôleurs de LED HV96001 maintiennent une efficacité de conversion élevée sur une large gamme de tension de charge de LED en ajustant la tension de sortie de l'étage de conversion CA-CC. Ces contrôleurs de LED sont également capables de maintenir un contrôle précis sur l'amplitude du courant de la LED, ce qui permet d'obtenir une température de couleur constante. Les contrôleurs de LED HV96001 comportent deux régulateurs à rétroaction, dont un régulateur Boost pour le contrôle de l'amplitude du courant de la LED et un régulateur flyback pour le contrôle de la tension de sortie flyback. Les contrôleurs LED HV96001 offrent une récupération sur défaut avec un délai de relance automatique défini à l'aide d'un condensateur de synchronisation et une protection contre les courts-circuits de la sortie avec un délai de relance automatique. Ces contrôleurs de LED de Microchip Technology sont idéaux pour les applications d'éclairage à LED hors ligne, avec une large gamme de gradation PWM et linéaire.Caractéristiques
- Large plage de tension d'entrée de 8 V à 60 V
- Gradation linéaire (analogique)
- Avec une large gamme de contrôle de l'amplitude du courant de la LED
- Gradation numérique par modulation de largeur d'impulsion (PWM)
- Descend jusqu'à 0,01 % voire moins
- Avec une largeur d'impulsion PWM inférieure à 150 ns
- Fréquence de gradation PWM allant jusqu'à 20 kHz
- Convertisseur Flyback
- Ajustement automatique de la tension de sortie pour maintenir une efficacité élevée du système
- Convertisseur élévateur
- Large ondulation de la tension de sortie proche de zéro pour un courant LED sans ondulation
- Rejet des ondulations 100 Hz/120 Hz
- Fréquence de commutation fixe 200 kHz
- Régulateur de VDD
- Tension d'entrée de 60 V / tension de sortie de 5 V
- Pilote de 10 mA pour l'alimentation de charges externes
- Récupération sur défaut avec délai de relance automatique défini à l'aide d'un condensateur de synchronisation
- Détection de sous-tension de
- la tension VDD
- Tension d'alimentation (tension de sortie flyback)
- Détection de surtension de
- Tension de charge LED (tension de sortie boost)
- Détection de surintensité du
- courant de commutation de la charge
- Détection de blocage à zéro du
- Signal d'entrée DIM
- Protection contre les courts-circuits de sortie avec délai de relance automatique
Applications
- Applications d'éclairage LED hors ligne avec une large plage de gradation PWM et de gradation linéaire
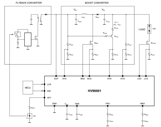
Schéma de principe
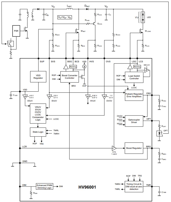
Circuit d'application standard
Publié le: 2020-01-21
| Mis à jour le: 2024-07-09
