Microchip Technology Double réseau d'amplificateurs à commande tactile 250 V HV56022
Le double réseau d'amplificateurs à commande tactile 250 V HV56022 de Microchip Technology est conçue pour piloter des actionneurs tactiles (piézo) à 225 V. Le réseau fonctionne avec un courant source/dissipateur minimal de 40 mA. Les amplificateurs sont conçus pour une largeur de bande de -3 dB de 124 Hz pour les formes d'onde sinusoïdales 225 V pilotant des charges capacitives de 0,22 μF.Caractéristiques
- Double amplificateur opérationnel à haute tension
- Jusqu'à +225 V
- Courant dissipateur de sortie / source en crête de 40 mA minimum
- Comparateurs de tension de sortie pour détection de court-circuit
- Largeur de bande de 124 Hz, -3 dB avec charge de 0,22 μF
Applications
- Pilotes tactiles
- Amplificateurs de puissance
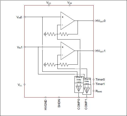
Schéma fonctionnel
Publié le: 2022-08-25
| Mis à jour le: 2022-09-12
