Microchip Technology Pilotes push-pull à 16 canaux HV53001
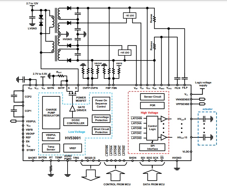
Les pilotes push-pull à 16 canaux HV53001 de Microchip Technology offrent une solution de pilote intégré pour diverses applications, comprenant trois blocs fonctionnels principaux, un pilote à haute tension, une interface SPI et un contrôleur Boost CC-CC avec MOSFET de puissance.Le HV53001 dispose de 16 pilotes push-pull capables excursion de sortie de ±135 V avec la fonction retour à zéro (RTZ) et chaque pilote est capable de fournir et de dissiper au moins 24 mA. Chaque sortie à haute tension est capable de piloter une charge capacitive jusqu'à 250 pF. De plus, une fonction de capteur de courant global est intégrée au HV53011 pour surveiller les courants de charge et de décharge. Le courant mesuré est cartographié à une sortie analogique basse tension avec un facteur d'échelle de 3,1 V/V à travers une résistance de détection de courant.
Les pilotes push-pull à 16 canaux HV53001 de Microchip utilisent une interface SPI pour communiquer entre le processeur hôte et les pilotes à haute tension. L'interface fournit des signaux E/S logiques de 3,3 V jusqu'à des vitesses d'horloge de 32 MHz. Cinq signaux de contrôle de verrouillage numérique gèrent le flux de données et le modèle de déclenchement tout en établissant la sortie dans l'un des quatre états possibles : VPP, VNN, 0 V ou haute impédance.
Le HV53001 comprend un contrôleur CC-CC intégré avec MOSFET de puissance. Pour le bloc de commande à haute tension, le contrôleur est placé dans une configuration flyback pour générer quatre rails à haute tension, ±135 V et ±123 V, pour le bloc de pilote à haute tension. Les rails de ±123 V sont créés à partir de deux alimentations flottantes de 12 V référencées aux rails d'alimentation de ±135 V. Le convertisseur accepte une tension d'entrée à partir d'un seul rail de tension d'entrée de 2,7 V à 5,5 V. Une pompe de charge positive intégrée et une pompe de charge négative externe simple convertissent l'alimentation d'entrée à des alimentations de +6,5 V et -6,0 V pour alimenter le bloc de commande à haute tension.
Le HV53001 dispose d'une séquence d'allumage et d'arrêt précise avec un circuit de contrôle de séquence d'alimentation pour que l'utilisateur contrôle les alimentations pour allumer ou éteindre le pilote à haute tension. Le composant est utilisé en conjonction avec les transistors FET haute tension externes.
Le HV53001 comprend de nombreuses caractéristiques de sécurité, notamment une protection contre les surtensions, une protection contre les courts-circuits et une fonction de surveillance des surchauffes.
Le composant HV53001 est logé dans un boîtier TFBGA à 105 billes de 9 mm x 9 mm. Toutes les E/S à haute tension sont disposées pour avoir un dégagement suffisant pour la sécurité.
Caractéristiques
- Sortie push-pull à 16 canaux
- Fonction de retour à zéro (RTZ) et haute impédance (Hi-Z)
- Tension de sortie jusqu'à ±135 V
- Courant de sortie source-dissipateur de 24 mA minimum
- Charge de sortie maximale de 250 pF
- Sortie de capteur de courant
- Interface SPI avec quadruple verrouillage 2 bits par architecture de canal
- Fonction de réinitialisation à la mise sous tension
- Convertisseur Boost CC/CC avec MOSFET de puissance
- Tension d'entrée du convertisseur de 2,7 V à 5,5 V
- Protection contre les courts-circuits
- Moniteur de surchauffe
- Contrôle de séquence de mise sous tension/hors tension
- Fonction d'arrêt
- Boîtier TFBGA de 9 mm x 9 mm à 105 billes
Applications
- Application tactile de surface
- Pilote MEMS
- Pilote piézoélectrique
Schéma d'application standard
Schéma fonctionnel
