Microchip Technology Carte d’évaluation d’alimentation électrique à ultrasons EV28J28A
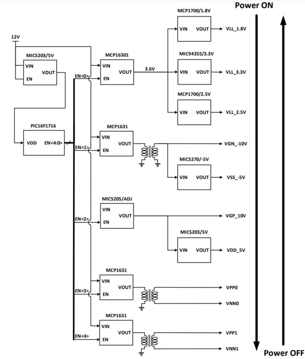
La Carte d’évaluation d’alimentation électrique à ultrasons EV28J28A de Microchip Technology présente tous les rails de tension nécessaires pour les démonstrations de multiplexeurs et de pulseurs ultrasonores. Cette carte d’évaluation fournit un séquençage d’alimentation électrique et une protection contre les anomalies. La carte d’évaluation EV28J28A permet également une synchronisation externe. Cette carte gère automatiquement le séquençage d'activation et de désactivation requis par les cartes de démonstration de pulseurs.Caractéristiques
- Comprend tous les rails de tension nécessaires pour les démonstrations de pulseur ultrasons et de multiplexeur
- Séquençage d’alimentations électriques et protection contre les anomalies
- Permet la synchronisation externe
- Entrée de 12 V simple (compatible également avec la prise d’alimentation électrique de 2,5 mm standard)
- Séquençage automatique de mise sous tension / hors tension
- Les rails VNN sont configurables dans une polarité opposée aux rails VPP
- Rails indépendants disponibles :
- 1,8 ; 2,5 ; 3,3 ; 5 ; -5 ; 10 ; -10 V ; VPP0 ; VNN0 ; VPP1 et VNN1
- Rails VPP configurables sous :
- 60 V, 80 V, 90 V ou 100 V
- Synchronisation externe optionnelle pour VPP0, VNN0, VPP1, VNN1 et -10 V
- Rails de 1,8 ; 2,5 ; 3,3 ; 5 ; -5 ; 10 V ; fournis par des LDO à faible ondulation
- LED d’état pour tous les rails de tension
- Surveillance de l'absence d'anomalies pour les rails VPP0, VNN0, VPP1 et VNN1, avec séquence automatique de désactivation en cas d'anomalie
Schéma fonctionnel
Conception de référence de carte d’alimentation
Ressource supplémentaire
Publié le: 2024-09-05
| Mis à jour le: 2024-11-20
