Microsemi / Microchip Cœur de circuit de commande de grille SiC AgileSwitch 2ASC-12A1HP
Le cœur de pilote de grille SiC (carbure de silicium) AgileSwitch® 2ASC-12A1HP Microsemi / Microchip est configurable par logiciel, ce qui permet aux développeurs de configurer correctement les paramètres du pilote de grille dans leur application sans se soucier de changer de matériel. Le 2ASC-12A1HP 1 200 V à double canal fournit jusqu’à 10 A de courant de crête à une fréquence de fonctionnement de 100 kHz. Le cœur de pilote de grille CMTI élevé comprend un convertisseur CC-CC isolé et une barrière d’isolation à faible capacité pour les signaux MLI et la rétroaction des défaillances.Outil de configuration intelligent
L’outil de configuration intelligent (OCI) AgileSwitch permet aux développeurs d’ajuster les performances des cœurs de pilote de grille SiC programmables à leurs systèmes et applications spécifiques. De petits changements dans les profils Augmented Switching™ peuvent apporter des améliorations spectaculaires
en matière d’efficacité de commutation, de dépassement, de sonnerie et de protection contre les courts-circuits.
Caractéristiques
- Module MOSFET SiC 1 200 V conforme UL
- Double canal
- Conception robuste à haute immunité au bruit
- Surveillance de température isolée, PWM
- Surveillance isolée à haute tension, PWM
- Puissance de sortie 2 x 3 W
- Jusqu'à 10 A de courant de pointe
- Fréquence de commutation 100 kHz
- Jusqu'à 7 conditions de défaut uniques
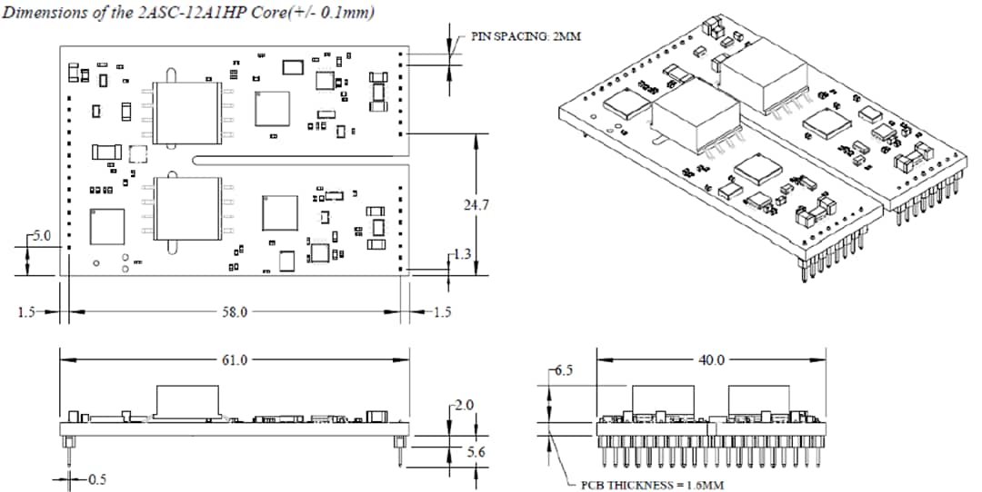
- Facteur de forme compact de 40 mm x 61 mm
- Conforme à la directive RoHS
- Programmable par logiciel
- Arrêt augmenté Augmented Turn-Off™ (ATOff)
- Tensions de grille de ±VGS
- VGS positive de +15 V à +21 V
- VGS négative de -5 V à 0 V
- Verrouillage de sous-tension d’alimentation (UVLO)
- Verrouillage de surtension (OVLO)
- Paramètres de détection de désaturation
- Temps mort
- Paramètres de verrouillage d'erreur
- Paramètres de réinitialisation automatique
Applications
- Véhicules industriels
- Chauffage par induction
- Unités d'alimentation auxiliaires
- Stockage par batteries
- Onduleurs
- Chargement sans fil
Vidéos
Ressources supplémentaires
Schéma fonctionnel
Schéma mécanique
Publié le: 2020-04-23
| Mis à jour le: 2024-07-24
