MEAN WELL Chargeurs de batterie intelligents NPB-450
Les chargeurs de batterie intelligents NPB-450 de MEAN WELL sont des chargeurs miniaturisés et polyvalents conçus avec une technologie de détection automatique de tension de batterie. Ces chargeurs comprennent une Communication de champ proche (NFC) pour configurer des paramètres de charge et sélectionner une charge à 2/3 étages. Les chargeurs NPB-450 comprennent un protocole Bus CAN intégré pour le réglage à distance des courbes de charge et la surveillance de l’état du chargeur. Le boîtier DIP S.W. sur le panneau avant permet à l’utilisateur de régler manuellement la charge à 2/3 étages et de sélectionner entre les quatre types de courbes de charge prédéfinies. Les chargeurs NPB-450 offrent une protection contre les courts-circuits, les surtensions, les surchauffes et la connexion inverse de la batterie.Les chargeurs NPB-450 disposent d’un ventilateur CC contrôlé thermique pour la réduction du bruit, le contrôle marche/arrêt à distance et le courant de fuite standard <1 mA de la batterie. Ces chargeurs de batterie disposent également d’une humidité de fonctionnement 20 % RH à 95 % RH (sans condensation), d’une plage de fréquence 47 Hz à 63 Hz et d’une réduction automatique de la puissance pour la charge en cas de surchauffe. Les chargeurs NPB-450 sont certifiés par CB, UL, DEKRA, CE et UKCA. Ces chargeurs sont utilisés dans le AGV, les tondeuses à gazon robotisées, les systèmes de surveillance, les robots de lavage, les vélos électriques et les stations de base de télécommunications.
Caractéristiques
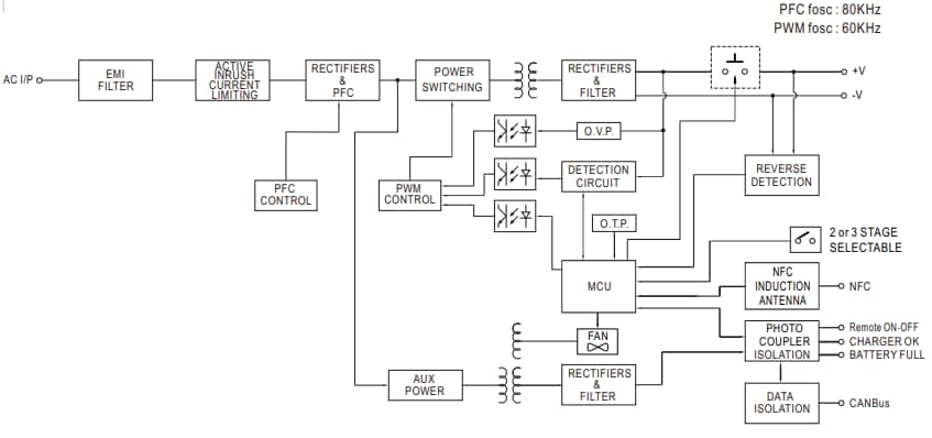
- Interface de communication CANBus intégrée pour le réglage à distance des courbes de charge et la surveillance de l’état du chargeur
- L’interface NFC permet de sélectionner la charge 2/3 et de configurer les paramètres de charge
- DIP S.W. permet de régler la charge 2/3 et de sélectionner entre 4 courbes de charge prédéfinies
- Réduction automatique de la puissance pour la charge en cas de surchauffe
- Ventilateur CC contrôlé thermiquement pour la réduction du bruit
- Compensation de température NTC externe pour éviter une dégradation rapide de la batterie
- Convient aux batteries au plomb et au lithium
- Plusieurs protections intelligentes :
- Court-circuit
- Surtension
- Surchauffe
- Batterie faible
- Connexion inverse de la batterie
- Certifié par CB, UL, DEKRA, CE et UKCA
- Garantie de 3 ans
Applications
- Systèmes de surveillance
- Bus, vélos électriques, trottinettes électriques et voitures de camping
- Tondeuses à gazon robotisées
- Robots de lavage
- Bateau de loisirs, voiliers personnels et bateaux de travail
- Véhicules à guidage automatique (AGV)
- Stations de base de télécommunication
- Solutions de sauvegarde du système radio
- Équipement ou instrument avec batterie de secours
Caractéristiques techniques
- NPB-450-12NFC :
- Plage de tension de sortie de 10,5 V à 21 V
- Courant de sortie maximal 25 A
- Puissance de sortie maximale 420 W
- Capacité de batterie recommandée de 90AH à 300AH
- APB-450-24NFC :
- Plage de tension de sortie de 21 V à 42 V
- Courant de sortie maximal 13,5 A
- Puissance de sortie maximale 453,6 W
- Capacité de batterie recommandée de 45 AH à 155 AH
- NPB-450-49NFC :
- Plage de tension de sortie de 42 V à 80 V
- Courant de sortie maximal 6,8 A
- Puissance de sortie maximale 456,96 W
- Capacité de batterie recommandée de 24 AH à 80AH
- NPB-450-72NFC :
- Plage de tension de sortie de 54 V à 100 V
- Courant de sortie maximal 5,5 A
- Puissance de sortie maximale 462 W
- Capacité de batterie recommandée de 19 Ah à 64 Ah
Schéma fonctionnel
Exemple d'application
Ressources supplémentaires
- Descriptif du produit (anglais)
- Descriptif du produit (chinois traditionnel)
- Fiche technique (chinois)
- Présentation du produit (chinois)
- Solution de programmation sans fil de recharge intelligente (anglais)
- Solution de programmation sans fil de charge intelligente (chinois)
- Connaissance technologique : Solution de système UPS de stockage d’énergie portable (anglais)
- Connaissance technologique : Solution de système UPS de stockage d’énergie portable (chinois traditionnel)
- Connaissance technologique : Solution de système UPS de stockage d’énergie portable (chinois simplifié)
Publié le: 2023-11-06
| Mis à jour le: 2024-10-07
