MEAN WELL Alimentations intelligentes configurables NMP
Les alimentations modulaires intelligentes configurables NMP de MEAN WELL permettent aux utilisateurs de configurer et de personnaliser les unités pour répondre à leurs besoins. Un emplacement pour module de sortie indépendant et une plage de tension de sortie ultra-large permettent aux utilisateurs de définir et de modifier la tension de sortie, le courant et la puissance en fonction de leurs besoins. La série NMP est certifiée conforme aux réglementations de sécurité médicale 60601-1 et 62368-1 de l’industrie informatique. Ces alimentations 650/1200W offrent des fonctions de contrôle intelligentes telles qu’un MARCHE/ARRÊT à distance (par section ou système entier) et une sortie aux 5 V pour piloter les dispositifs. Le module NMD-240 fonctionne à une double sortie CC-CC 240 W et dispose de deux signaux de commande à distance. Le connecteur de sortie bicolore de ces modules indique la polarité des tensions de sortie. Les alimentations modulaires intelligentes NMP configurables sur le terrain/construites vous-même de MEAN WELL offrent de la flexibilité pour diverses applications, notamment les équipements médicaux, l’automatisation d’usine et les équipements laser.Caractéristiques
- Approbation de sécurité double ITE et médicale (2 x MOPP)
- Adapté aux applications à carrosserie flottante (BF) avec une prise en compte appropriée du système (courant tactile < ; 100 μA/264 VCA)
- Profil mince 1U
- Entrée universelle CA (plage complète)
- Tension et courant de sortie programmables
- Fonction parallèle intégrée
- Sortie programmable
- Activation globale
- Le module NMD-240 fonctionne avec un module à double sortie CC/CC 240 W
- La tension de sortie des canaux doubles est réglable via des SVR séparés
- Deux ensembles de signaux de télécommande
- Marche-arrêt local à distance
- Sortie CC auxiliaire
- Alarme de surchauffe
- CC OK
- Refroidissement par ventilateur contrôlé thermostatiquement avec fonction d'alarme de ventilateur
- Protection contre les courts-circuits, les surcharges, les surtensions et les surchauffes pour tous les modules de sortie
- Garantie de 5 ans
Applications
- Équipements médicaux
- Installations de Diagnostic ou biologiques
- Lecteurs MRI, CT et pour animaux domestiques
- Systèmes de Test ou de mesure
- Équipements de télécommunications
- Usine et équipement vieillissant
- Équipement laser
Vidéos
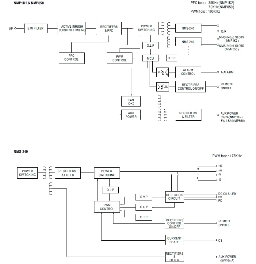
Schéma fonctionnel
Ressources supplémentaires
- Liste d'accessoires
- Avantages de la conception avec des alimentations configurables
- Solutions d'alimentations électriques modulaires pour les équipements en libre-service
- Alimentations électriques industrielles fiables, modulaires et configurables
- Alimentations électriques médicales fiables, modulaires et configurables
- Outil de sélection NMP
- Manuel d'utilisation NMP
Publié le: 2020-02-17
| Mis à jour le: 2025-11-13
