MEAN WELL Convertisseurs CC-CC IGBT GD2
Les Convertisseurs CC-CC IGBT GD2 de MEAN WELL se trouvent dans un boîtier SIP7 compact à brochage standard international et fonctionnent dans une plage de température de -40 à +90 °C. Ces convertisseurs sont isolés à 2 W et constituent des types de modules non régulés qui présentent un haut rendement jusqu'à 82 %, 4,3 kVCAou 6,2 kV CC de niveaux d'isolement à E/S élevées et une protection permanente contre les courts-circuits. Les convertisseurs GD2 permettent diverses tensions d'entrée de 12 V/15 V/24 V ±10 % et différentes tensions positives et négatives de sortie. Les convertisseurs CC-CC IGBT GD2 de Mean Well sont adaptés aux réseaux sans fil, à la robotique industrielle, aux entraînements de moteurs, aux onduleurs solaires, au chauffage par induction et aux systèmes de datacom.
Caractéristiques
- Boîtier SIP7 avec brochage aux normes internationales
- Performances optimisées pour les IGBT/SiC
- Sortie bipolaire asymétrique non régulée
- Faible capacité d’isolation de couplage (Cio)
- Protection continue contre les courts-circuits
Applications
- Serveurs de télécommunication / systèmes datacom
- Réseau sans fil
- Installations de contrôle industriel
- Robotique industrielle
- Pilotes de moteur
- Onduleurs solaires
- Chauffage par induction
Caractéristiques techniques
- Isolement élevé d'E/S de 4,3 kVCC ou de 6,2 kVCA
- Temps de démarrage maximal de 100 ms
- Puissance nominale 2 W
- Valeur nominale d’ondulation et de bruit de 50 mVc.-à-c.
- Capacité d’isolation de 5 pF
- Régulation de charge ±5 %
- Plage de température de fonctionnement : de -40 °C à +90 °C
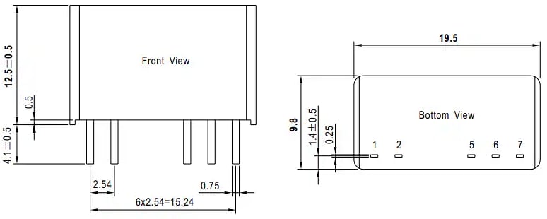
- Dimensions de 19,5 mm x 9,8 m x 12,5 mm
Dimensions
Suggestion CEM
Ressources supplémentaires
Publié le: 2024-10-08
| Mis à jour le: 2024-11-07
