MEAN WELL CSP-3000 Single Output Power Supply
MEAN WELL CSP-3000 Single Output Power Supply offers an AC input range of 180 to 264VAC, efficiency up to 93%, and a built-in active PFC function. The CSP-3000 power supply features forced air cooling by built-in DC fans, a built-in remote ON-OFF control, and short circuit, overload, over voltage, over temperature, and fan failure protection. MEAN WELL CSP-3000 Single Output Power Supply is ideal for UV curing equipment, fish lamps, burn-in facilities, and factory control or automation apparatuses.Features
- 180 to 264VAC input range
- Built-in active PFC function
- High efficiency up to 93%
- Forced air cooling by built-in DC fans
- Output voltage and current programmable
- Active current sharing up to 7200W
- Built-in remote ON-OFF control
- Short circuit, overload, over voltage, over temperature, and fan failure protections
- Optional conformal coating
Applications
- Factory control or automation apparatuses
- Test and measurement instruments
- Laser related machine
- UV curing equipment
- Fish lamps
- Burn-in facility
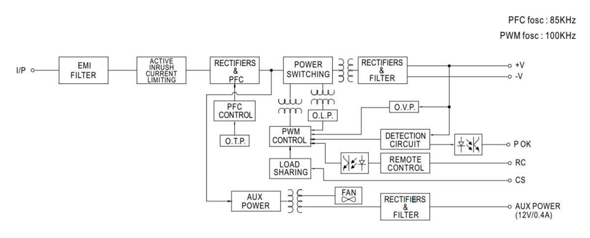
Block Diagram
Publié le: 2019-04-10
| Mis à jour le: 2024-09-04
