MaxLinear MxL83433 Quad Receivers
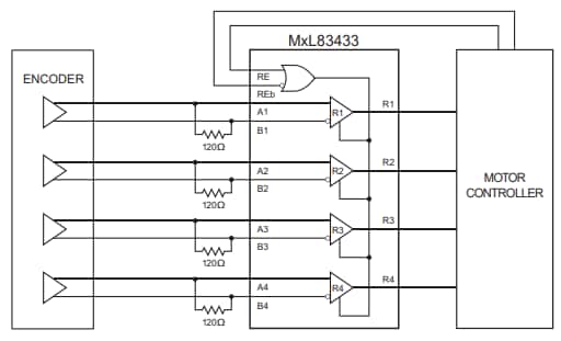
MaxLinear MxL83433 Quad Receivers are monolithic differential line RS-485/RS-422 receivers that support up to 32Mbps data rates. These receivers feature global enable pins that allow all four channels to be enabled or disabled simultaneously. The MxL83433 receivers also feature 1/4 unit load (128 bus nodes), fail-safe open receiver (Rx) inputs, and glitch-free power-up/power-down for hot-swap capability. These receivers meet or exceed the requirements of the TIA/EIA-485A and EIA/TIA-422B standards. The MxL83433 receivers are ideal for high-speed motor drives, wireless infrastructure, building automation, telecommunication equipment, and industrial transport applications.Features
- Meet or exceed the requirements of the TIA/EIA-485A and EIA/TIA-422B standards
- High Electrical Fast Transients (EFT) and IEC Electrostatic Discharge (ESD) protection
- 3.3V to 5V supply voltage range
- Fail-safe open receiver (Rx) inputs
- 1/4 unit load (128 bus nodes)
- Up to 32Mbps high-data rates
- RS-485 and RS-422 supported protocols
- ±15V extended operation common-mode range
- Glitch-free power-up/power-down for hot-swap capability
- Available in global configuration
- Low channel-to-channel propagation delay skew
- Robust system protection:
- ±4kV EFT (IEC 61000-4-4)
- ±12kV ESD contact (IEC 61000-4-2)
- ±15kV ESD human body model
Applications
- Level translators
- Industrial and process control equipment
- Telecommunication equipment
- High-performance motor drives
- Smart grid
- Industrial transport
- Wireless infrastructure
- Building automation
Application Block Diagram
Typical Application Schematic Diagram
Additional Resource
Publié le: 2025-02-26
| Mis à jour le: 2025-04-24
