MACOM Carte de test CMPA5259080S-AMP1
La carte de test CMPA5259080S-AMP1 de Wolfspeed est configurée pour évaluer l'amplificateur de puissance MMIC GaN CMPA5259080S. Le CMPA5259080S dispose d'un gain de signal faible de 29 dB, d'une PSAT standard de 110 W et d'un fonctionnement jusqu'à 40 V. La carte de test CMPA5259080S-AMP1 de Wolfspeed comprend l'amplificateur CMPA5259080S.Caractéristiques
- Rendement de puissance ajoutée >48 % en standard
- Faible gain de signal de 29 dB
- PSAT standard de 110 W
- Fonctionnement à un maximum de 40 V
- Tension de claquage élevée
- Fonctionnement à haute température
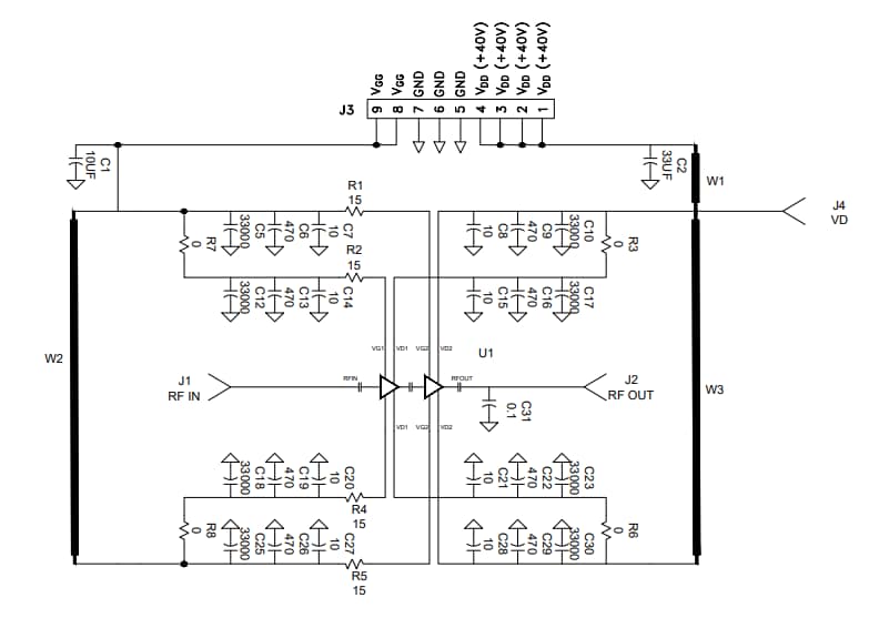
Schéma de l'amplificateur de démonstration
Publié le: 2022-05-25
| Mis à jour le: 2024-01-18
