MACOM Carte de test CMPA5259050S-AMP1
La carte de test CMPA5259050S-AMP1 de Wolfspeed est conçue pour tester rapidement et facilement l'amplificateur CMPA5259050S. L'amplificateur de puissance MMIC GaN CMPA5259050S comprend une approche de conception d'amplificateur à deux étages adaptée de façon réactive permettant un haut rendement en puissance et en puissance ajoutée. Le circuit intégré monolithique micro-ondes (MMIC) basé sur le transistor à haute mobilité d'électrons (HEMT) au nitrure de gallium (GaN) dispose d'un gain de signal faible de 27 dB, d'un PSAT standard de 65 W et d'un fonctionnement pouvant atteindre 28 V.La carte de test CMPA5259050S-AMP1 de Wolfspeed comprend l'amplificateur CMPA5259050S.
Caractéristiques
- Rendement de puissance ajoutée >50 % en standard
- Petit gain de signal de 27 dB
- PSAT standard de 65 W
- Fonctionnement jusqu’à 28 V
- Tension de claquage élevée
- Fonctionnement à haute température
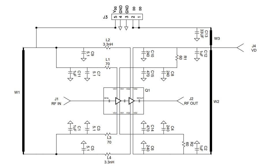
Schéma de l'amplificateur de démonstration
Publié le: 2022-05-25
| Mis à jour le: 2024-01-18
