MACOM Carte d'évaluation CMPA1C1D080F-AMP
La carte d'évaluation CMPA1C1D080F-AMP de Wolfspeed permet aux utilisateurs d'évaluer l'amplificateur de puissance CMPA1C1D080F. L'amplificateur de puissance MMIC GaN de 12,75 GHz à 13,2 GHz 90 W CMPA1C1D080F utilise le GaN de 0,25 μm à hautes performances de Cree sur le processus de production SiC. Le HPA est proposé en boîtier à bride à boulonner pour une gestion thermique exceptionnelle.La carte d'évaluation CMPA1C1D080F-AMP de Wolfspeed est fournie avec l'amplificateur CMPA1C1D080F installé.
Caractéristiques
- PSAT standard de 90 W
- Rendement de puissance ajoutée standard >21 %
- Gain de signal faible de 25 dB
- Puissance de sortie totale de 20 W à -30 dBc IM3
- Fonctionnement à un maximum de 40 V
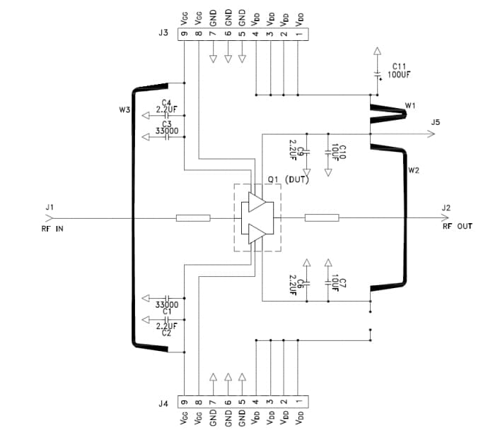
Circuit d'application
Publié le: 2021-09-10
| Mis à jour le: 2024-01-17
