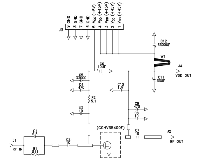
MACOM Carte d'évaluation CGHV35400F1-AMP
La carte d’évaluation CGHV35400F1-AMP de MACOM est conçue pour évaluer le HEMT GaN CGHV35400F 400 W 2,9 GHz à 3,5 GHz adapté aux E/S 50 ohms pour les applications d’amplificateur radar en bande S. Le CGHV35400F offre un rendement élevé, un gain élevé et de vastes capacités de bande passante.La carte d'évaluation CGHV35400F1-AMP de Wolfspeed est fournie avec l'HEMT CGHV35400F installé.
Caractéristiques
- Fonctionnement de 2,9 GHz à 3,5 GHz
- Puissance de sortie standard : 500 mW
- Gain en puissance : 11 dB
- Rendement de drain standard : 70 %
- Adapté en interne pour 50 Ω
- Chute d'amplitude pulsée < 0,3 dB
Circuit d'application
Publié le: 2021-09-12
| Mis à jour le: 2024-01-17
