Littelfuse Efuse bidirectionnel LS24062RQ23
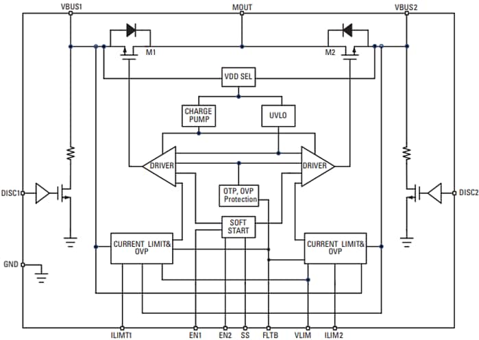
Le fusible électronique bidirectionnel LS24062RQ23 de Littelfuse dispose de deux accès d'entrée/sortie, VBUS1 et VBUS2, avec une tension nominale maximale absolue de 30 V. Chaque accès offre un réglage externe de la limite du courant, une activation indépendante et des PINS de contrôle de la décharge. Ce commutateur de charge bidirectionnel avancé classé 6 A 28 V protège contre les surcharges, les courts-circuits, les surtensions de tension d'entrée, les courants d'appel excessifs et les surchauffes. Le commutateur de puissance à RDS(ON) ultra-faible de 24 mΩ intégré aide à réduire la perte de puissance en exploitation normale. Fusible électronique bidirectionnel LS24062RQ23 de Littelfuse est disponible dans un boîtier QFN à profil bas de 2,5 mm x 3,2 mm à 16 fils. Les applications typiques incluent les ordinateurs portables, les ordinateurs de bureau, les serveurs, les tablettes, les dongles et les stations d'accueil, les accessoires d'alimentation et les commutateurs d'alimentation Thunderbolt / USB Type-C® PD.Caractéristiques
- Large plage de tension d'alimentation de 3 V à 24 V
- Tolérance de 30 V sur les ports VBUS1 et VBUS2
- Intègre un commutateur de protection à RDS(ON) ultra-faible de 24 mΩ
- Durée de démarrage progressif réglable en externe
- Seuil de surtension d'entrée réglable externe
- Protection contre les courts-circuits
- Indicateur de défaillance
- Protection d'arrêt thermique et récupération automatique
- Chaque port VBUS1/VBUS2 contrôle indépendant
- Limite de courant réglable externe
- Broche d'activation d'interface
- Broche d'interface de décharge de port
- Boîtier QFN à 16 fils de 2,5 mm x 3,2 mm
- Sans fil et conforme à la directive RoHS
- Reconnaissance UL selon la norme UL 62368-1
Applications
- Ordinateurs de bureau, notebooks, serveurs et tablettes
- Stations d'accueil et clés électronique
- Accessoires électriques
- Commutateurs de puissance USB PD type-C / Thunderbolt
Application standard
Schéma fonctionnel
Publié le: 2022-12-21
| Mis à jour le: 2025-07-23
