Littelfuse CI eFuse de protection LS1205ExD33
Les CI eFuse de protection LS1205ExD33 de Littelfuse disposent d'une plage de tension d'entrée de 2,7 V à 18 V, d'une limite de courant programmable et d'une pince de tension de sortie. Ces CI utilisent peu de composants externes et fournissent plusieurs modes de protection, notamment une défense robuste contre les surcharges, les courts-circuits, les surtensions et les courants d'appel excessifs. Les CI LS1205ExD33 protègent contre les événements de surtension d'entrée via un circuit de limitation interne vers une tension de sortie sûre. Les CI eFuse de protection LS1205ExD33 de Littelfuse sont idéaux pour la mise en réseau, les PC, le contrôle de ventilateur et les pilotes HDD et SSD.Caractéristiques
- Plage d'entrée sélectionnable en externe et seuil de tension de sortie de calage (LS1205EV)
- Indicateur de défaillance à drain ouvert FAULT\ (LS1205EF)
- Fonction de décharge en sortie
- Durée de démarrage progressif programmable externe
- Protection contre les courts-circuits
- Broche de commande d'activation
- Protection contre les arrêts thermiques
- Récupération automatique
- Commutateur de protection intégré à faible RDS(ON) de 25 mΩ
Applications
- Disques durs HDD et SSD
- Appareils alimentés par adaptateur
- Ordinateurs de bureau/portables
- Commande de ventilateur
- Applications réseaux
Caractéristiques techniques
- Plage de tension d'entrée de 2,7 V à 18 V
- Limite de courant programmable externe de 1 A à 5 A
- Plage de température de jonction de -40 °C à +125 °C
- Boîtier DFN 10 fils 3 mm x 3 mm
Vidéos
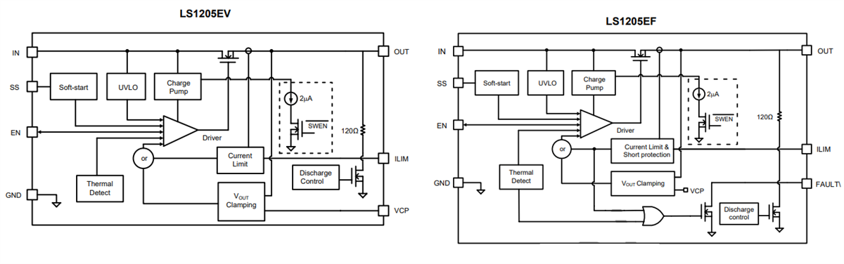
Schéma de principe fonctionnel
Publié le: 2022-07-18
| Mis à jour le: 2022-12-07
