Littelfuse Capteurs magnétiques omnipolaires LF5346x-08TMR
Les capteurs magnétiques omnipolaires LF5346x-08TMR de Littlefuse sont des capteurs d'angle à magnétorésistance tunnel (TMR) avancés, conçus pour la détection de champs magnétiques de haute précision dans les applications exigeantes. Ces capteurs LF5346x-08TMR offrent une exploitation omnipolaire, ce qui signifie qu'ils peuvent détecter les pôles nord et sud magnétiques avec une sensibilité égale, améliorant ainsi la flexibilité de conception et simplifiant l'intégration du système. Avec une consommation d'énergie ultra-faible et une sensibilité élevée, les modèles LF53464-08TMR et LF53466-08TMR sont idéaux pour les dispositifs compacts et alimentés par batterie. Ces capteurs Littelfuse présentent une large plage de tension d'exploitation et des performances robustes face aux températures extrêmes, rendant le dispositif adapté à une utilisation dans les systèmes automobiles, l'automatisation industrielle et l'électronique grand public. Un facteur de forme compact et une haute fiabilité soutiennent également des applications telles que les codeurs rotatifs, les commutateurs sans contact et la détection de position dans des environnements difficiles.Caractéristiques
- Technologie TMR
- Direction de détection de l'axe X-Y
- Large gamme de tension d'alimentation électrique
- Sortie différentielle
- Excellente stabilité thermique
- Mesure de l'angle de 0 ° à 360 °
- Conforme aux directives RoHS et REACH
- LF53464-08TMR
- Capacité d'écart d'air plus large
- Fonctionne avec des aimants plus petits pour une réduction des coûts
- LF53466-08TMR
- Deux ponts dans un seul boîtier
- Mesure de haute précision
Applications
- Détection de position linéaire et rotative
- Commutateurs sans contact
- Verrouillages intelligents
- Capteurs de couvercle
- Automatisation industrielle
- Retour d'information sur l'angle de l'articulation robotique
- Suivi de la position du convoyeur
- Détection de proximité dans les machines
- Dispositifs alimentés par batterie
- Outils portables
- Wearables
- Gadgets pour maison intelligente
- Systèmes de détection d'angle
- Robotique
- Automatisation
- Systèmes automobiles
- Détection de la position des engrenages
- Détection de la position des pédales
- Surveillance de l'angle de direction
- Électronique grand public
- Détection de la fermeture du couvercle sur les ordinateurs portables et les tablettes
- Stations d'accueil magnétique
- Commandes d'appareil intelligent
Caractéristiques techniques
- LF53464-08TMR
- Plage d'alimentation jusqu'à 7 V
- Tension de crête standard de 340 mV
- Tension résiduelle de ±20 mV/V
- Plage de résistance du pont de 100 kΩ à 190 kΩ
- Portée dynamique magnétique omnipolaire de 200 G à 800 G
- Champ magnétique maximum de 3000 G
- Erreur angulaire standard de 0,6 °
- Performance DES modèle de corps humain (HBM) maximale de 4000 V
- Plage de température de fonctionnement de -40 °C à +85 °C
- Boîtier LGA8L
- LF53466-08TMR
- Plage d'alimentation de 1,0 V à 5,5 V
- Tension de crête de sortie standard de 300 mV
- Tension de crête à crête de sortie standard de 600 mV
- Tension résiduelle de ±5 mV/V
- Plage de résistance du pont de 3 kΩ à 7 kΩ
- Portée dynamique magnétique omnipolaire de 200 G à 800 G
- Champ magnétique maximum de 4000 G
- Erreur angulaire standard de 0,8 °
- Performance DES maximale
- Modèle de corps humain (HBM) de 4000 V
- Modèle d'appareil chargé (CDM) de 750 V
- Plage de température de fonctionnement de -40 °C à +150 °C
- Boîtier TSSOP8
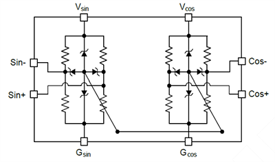
Schéma fonctionnel
Vidéos
Publié le: 2025-05-29
| Mis à jour le: 2025-10-31
