Littelfuse Porte-fusibles série 482
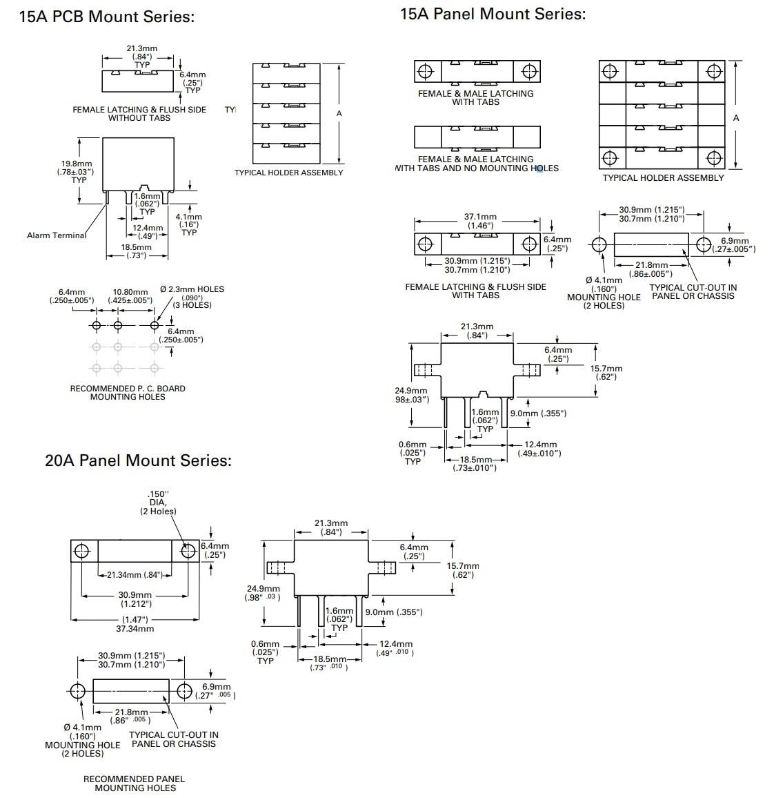
Les porte-fusibles série 482 de Littelfuse sont conçus pour être utilisés avec les fusibles indicateurs d'alarme 481. Ces porte-fusibles d'applications spéciales sont également conçus pour prendre en charge les fusibles de remplacement d'autres fabricants également. Les porte-fusibles 482 sont disponibles en trois versions, à savoir : montage PCB - 15 A, montage sur panneau - 20 A et montage sur panneau - 15 A. Ces porte-fusibles sont idéaux pour une utilisation dans les circuits de télécommunications et de panneau de commande.Montage PCB - 15 A : Ces porte-fusibles 15 A peuvent être soudés directement sur une carte de circuit imprimé et sont classés jusqu'à 15 A. Disponible en version unipolaire ou groupable jusqu'à 20 pôles. Les porte-fusibles sont à détrompeur pour empêcher l'insertion de fusibles 20 A.
Montage sur panneau - 20 A : Les porte-fusibles 20 A sont disponibles en version unipolaire jusqu'à 20 A. Fils larges pour la fixation de fils.
Montage sur panneau - 15 A : les versions groupables de 15 A des porte-fusibles sont à détrompeur pour empêcher l'insertion de fusibles 20 A.
Caractéristiques techniques
- Montage PCB 15 A et montage sur panneau :
- Tension nominale à 15 A jusqu'à 125 VCA/VCC
- Matériau du corps en thermoplastique (UL 94V-0)
- Matériau des bornes de fusibles en cuivre béryllium étamé
- Matériau des bornes d'alarme en laiton étamé
- Plage de température de fonctionnement de -55 °C à 125 °C
- Supporte 5 cycles de choc thermique de –55 °C à +125 °C
- Par vibration MIL-STD-202
- Résistance d'isolation supérieure à 10 000 Ω (après ouverture)
- Montage sur panneau 20 A :
- Nominale à 20 A jusqu'à 125 VCA/VCC
- Matériau du corps en thermoplastique (UL 94V-0)
- Matériau des bornes de fusibles en cuivre béryllium étamé
- Matériau des bornes d'alarme en laiton étamé
- Plage de température de fonctionnement de -40 °C à 85 °C
- Supporte 5 cycles de choc thermique de –55 °C à +125 °C
- Par vibration MIL-STD-202
- Résistance d'isolation supérieure à 10 000 Ω (après ouverture)
Applications
- 481 Fusibles indicateurs d'alarme
- Télécommunications
- Circuits de panneau de commande
Dimensions (mm)
View Results ( 67 ) Page
| Numéro de pièce | Fiche technique | Description | Style de montage | Tension de voltage | Style du raccordement |
|---|---|---|---|---|---|
| 04820010ZXBF | ![]() |
Support de fusibles 10 Pole PCB Mount | PCB Mount | 125 VAC/DC | PC Pin |
| 04820004ZXB | ![]() |
Support de fusibles 4 Pole PCB Mount | PCB Mount | 125 VAC/DC | PC Pin |
| 04820010ZXBFH | ![]() |
Support de fusibles ACS ALARM HLDR PCB MT L/T 10 POLE | PCB Mount | 125 VAC/DC | PC Pin |
| 04820002ZXB | ![]() |
Support de fusibles 2 Pole PCB Mount | PCB Mount | 125 V | Through Hole, Vertical |
| 04822001ZXPF | ![]() |
Support de fusibles 1 Pole Panel Mount | Panel Mount | 125 VAC/DC | Wire Leads |
| 04820001ZXB | ![]() |
Support de fusibles 1 Pole PCB Mount | PCB Mount | 125 VAC/DC | PC Pin |
| 04820002ZXBF | ![]() |
Support de fusibles 2 Pole Flush PCB Mount | PCB Mount | 125 V | Through Hole |
| 04820001ZXBF | ![]() |
Support de fusibles 1 Pole Flush PCB Mount | PCB Mount | 125 VAC/DC | PC Pin |
| 04820001ZXBFH | ![]() |
Support de fusibles 1 Pole Flush PCB Mount | PCB Mount | 125 V | Through Hole, Vertical |
| 04820001ZXPF | ![]() |
Support de fusibles 1 Pole Panel Mount | Panel Mount | 125 V |
Publié le: 2022-06-14
| Mis à jour le: 2022-06-30

