LEM HMSR-SMS Board Mount Integrated Current Sensors
LEM HMSR-SMS Board Mount Integrated Current Sensors are designed to provide the advantages of a current sensor IC while incorporating an isolation concept for enhanced robustness. This innovative design ensures superior performance and reliability, making the LEM HMSR-SMS sensors an excellent choice for demanding applications. By integrating advanced isolation technology, the HMSR-SMS series offers a highly durable and efficient solution for precise current measurement.With a guaranteed 4.95kV isolation and laboratory-characterized performance up to 5.66kV, the HMSR-SMS sensors set a standard in safety and reliability. The pre-mold design effectively isolates the primary bar, while a special footprint allows 8mm dCp/dCI clearance on the landing pad. Additionally, the integrated micro-core enhances immunity to external magnetic fields, ensuring high accuracy in challenging environments. These features make HMSR-SMS an ideal solution for solar DC-side applications, chargers, and other power electronics systems requiring both precision and robustness.
Features
- Open-loop multi-range current transducer
- Voltage output
- Double overcurrent detection
- +5V single power supply
- Galvanic separation between primary and secondary
- Low power consumption
- High bandwidth, very low-loss magnetic core
- Low 0.76mΩ electrical resistance
- Reinforced insulation capability
- High resolution
- High immunity to external interference
- ≤20kA lightning impulse current
- Factory calibrated
- Compact design for surface-mount PCB mounting
- Low 6mm profile
- Small footprint
- 5-year warranty
- Qualified to Moisture Sensitivity Level (MSL) 1
- RoHS compliant
- Standards
- IEC 61800-5-1: 2007
- IEC 62109-1: 2010
- IEC 60950-1: 2005
- UL 1577: 2014 (pending)
Applications
- Small drives
- Heating, Ventilation, and Air Conditioning (HVAC) inverters
- Appliances
- Solar inverters
Specifications
- 8V maximum supply voltage
- 6.5V maximum operating supply voltage from -40°C to +125°C
- 25mA maximum output current source
- 50mA maximum input current sink
- 0.76mΩ typical resistance of the primary at +25°C
- Insulation coordination
- 4.95kV RMS voltage for AC insulation test, 50Hz, 1 minute
- 8kV impulse withstand voltage, 1.2/50μs
- 1650V partial discharge RMS test voltage
- 8mm clearance and creepage distance
- 600 comparative tracking index
- Application examples
- 1000V system voltage RMS with basic insulation according to IEC 61800-5-1, IEC 62109-1, IEC 60950-1 CAT III, PD2
- 600V system voltage RMS with reinforced insulation according to IEC 61800-5-1, IEC 62109-1, IEC 60950-1 CAT III, PD2
- 1500V system voltage DC with basic insulation according to IEC 62109-1 CAT III, PD2
- 800V system voltage DC with reinforced insulation according to IEC 62109-1 CAT III, PD2
- Typical thermal resistance
- 18K/W junction-to-case
- 19K/W juntion-to-ambient
- Maximum ESD protection
- 2kV Human Body Model (HBM)
- 500V Charged Device Model (CDM)
- Electrical
- 6A, 8A, 10A, 15A, 20A, and 30A typical primary nominal current options
- ±15A to ±75A primary current measuring range
- 2.48V to 2.52V internal reference voltage
- ±2 output voltage range
- 2Ω typical output internal resistance of Uout, 5Ω maximum
- 120Ω to 333Ω output internal resistance range of Uref
- 0nF to 6nF load capacitance range on Uout
- 0nF to 100nF load capacitance on Uref
- 4.5VDC to 5.5VDC supply voltage range
- 20mA typical DC current consumption, 26mA maximum
- 26.67mV/A to 133.33mV/A nominal sensitivity range
- ±0.75 sensitivity error range
- 1.4µs to 2.1µs internal OCD delay time
- 300kHz typical frequency bandwidth (-3dB)
- 7µs to 14µs internal OCD output hold time
- Materials
- Copper for the primary/secondary
- Tin-Bismuth plating on all terminals
- ±0.15mm general tolerance
- +150°C maximum junction temperature
- -40°C to +125°C ambient operating temperature range
Resources
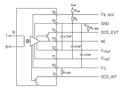
Block Diagram
Pins Definitions
Connection
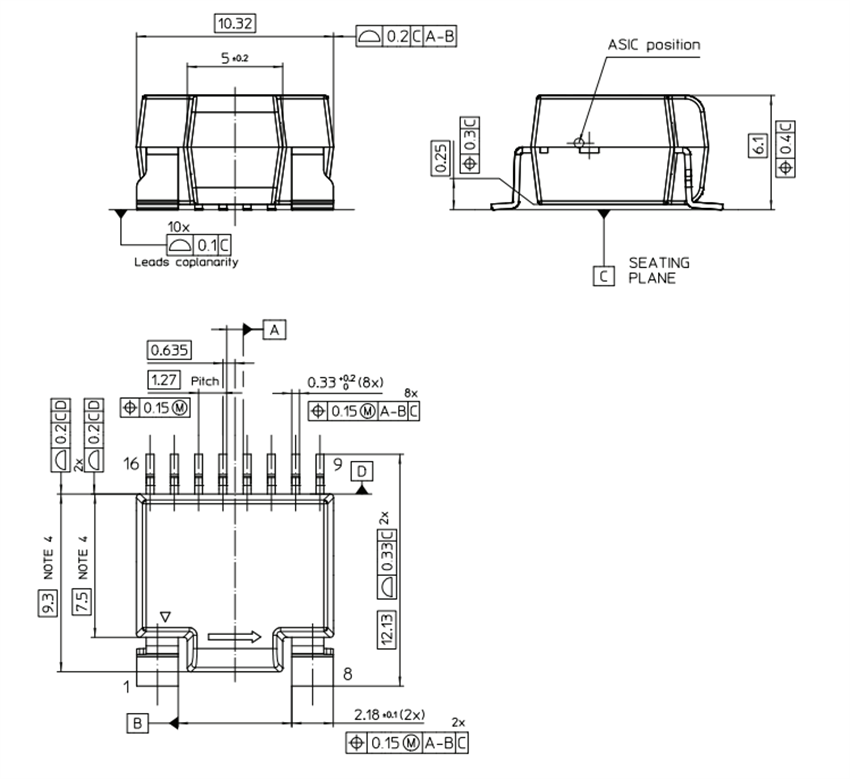
Dimensions (mm)
Publié le: 2025-07-22
| Mis à jour le: 2025-10-24
