JAE Electronics SF72 Nano SIM Card Connectors
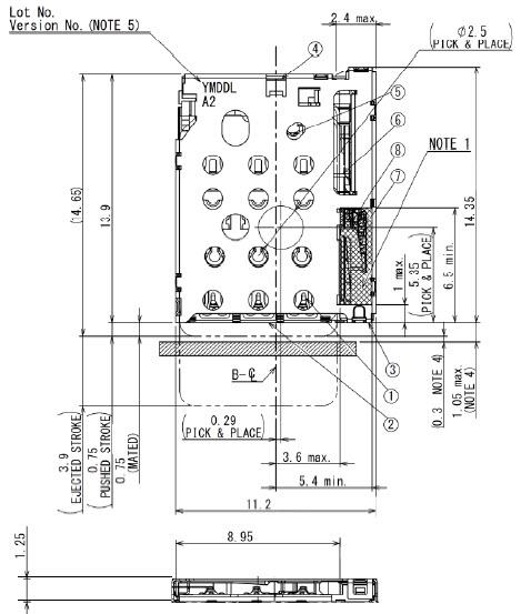
JAE Electronics SF72 Nano SIM Card Connectors are a push-push type connector ideal for smartphones and tablet PCs that equip nano-SIMM (4FF SIM) cards. It features the lowest-in-class height and smallest-in-class dimensions at 1.25mm height, 11.2mm width, and 14.35mm depth. JAE Electronics SF72 maintains good operability with enlarged card eject length.Features
- 1.25mm height, 11.2mm width, 13.25mm depth
- Maintains good operability with the enlarged card eject length (3.9mm)
- Card misinsertion measure and card detection switch (normal open)
- Structure that enables visual check of terminal area after SMT mounting
- Balanced EMI countermeasure through 8 hold-down points
- Supports automated mounting with embossed tape
- Pb free, halogen free
Specifications
- 6 contacts
- 100mΩ max (initial) contact resistance
- AC500Vr.m.s dielectric withstanding voltage for 1 minute
- -25°C to +85°C operating temperature
- 0.5A/terminal current rating
- 10V/terminal voltage rating
Applications
- Smart phones
- Tablet PCs
Dimensions
Additional Resources
Publié le: 2015-03-13
| Mis à jour le: 2022-03-11
