IXYS SCR sensibles 1,25 A Teccor® Sx02CSx
Les SCR sensibles 1,25 A Teccor® Sx02CSx d'IXYS fournissent d'excellents commutateurs unidirectionnels pour les applications de contrôle de phase, notamment les commandes de chauffage et de vitesse du moteur. Les SCR à grille sensibles sont facilement déclenchés par des microampères de courant fournis par les bobines de détection, les commutateurs de proximité et les microprocesseurs.Les applications standard sont les systèmes à décharge capacitive pour les lumières stroboscopiques et l'allumage des moteurs à gaz. Les autres applications comprennent les contrôles des outils électriques, des produits domestiques/bruns et des appareils électroménagers.
Caractéristiques
- Conforme à la directive RoHS
- Jonctions passivées au verre
- Capacité de tension jusqu'à 800 V
- Capacité de surtension jusqu'à 20 A
Applications
- Systèmes à décharge capacitive pour les lumières stroboscopiques et l'allumage des moteurs à gaz
- Contrôles des outils électriques, des produits domestiques/bruns et des appareils électroménagers
Caractéristiques techniques
- 1,25 A IT(RMS)
- 800 V VDRM/VRRM
- 50 à 200 µA IGT
- 60 °C/W Rth(JC)
Schéma
Circuit de test simple
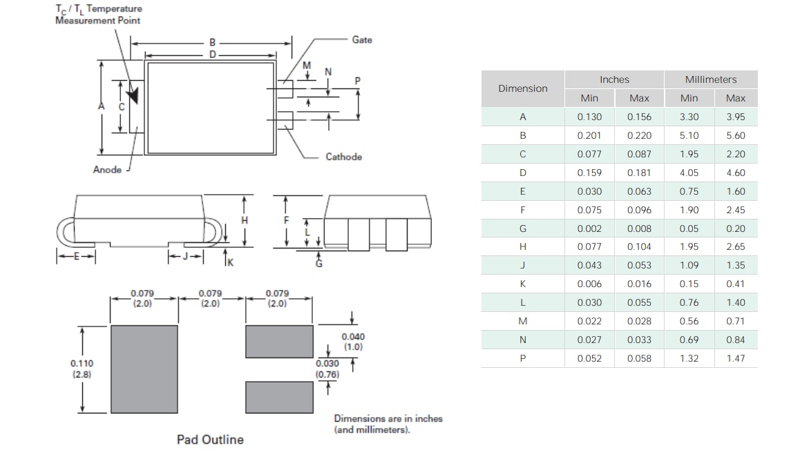
Dimensions du boîtier Compak (boîtier C)
Publié le: 2021-09-10
| Mis à jour le: 2022-03-11
